.it
Benvenuti
Contatti
Spedizione
L’azienda
Guest book
Condizioni e Privacy
Catalogare
Tagliare, profilare
Componenti per motore
Officine meccaniche
Parti e componentistica per macchine varie
Forestali
Articoli elettrici
Articoli invernali
Cinghie trapezoidali e relative pulegge
Filters
PEZZI DI RICAMBIO
Sprocket Rims
Guide Bars
Chainsaw Chains
Search by Part Number
Diagrammi ed elenchi
Servizio
Determine Chain
Ricerca
Il mio account
Registrati
Log in
Settings
DE
EN
FR
ES
IT
Desktop
Murray 40541F - 40" Lawn Tractor (2002) Chassis & Hood Ricambi
Start
Murray
Rasen- und Gartentraktoren
40541F - Murray 40" Lawn Tractor (2002)
Chassis & Hood
Chassis & Hood 40541F - Murray 40" Lawn Tractor (2002)
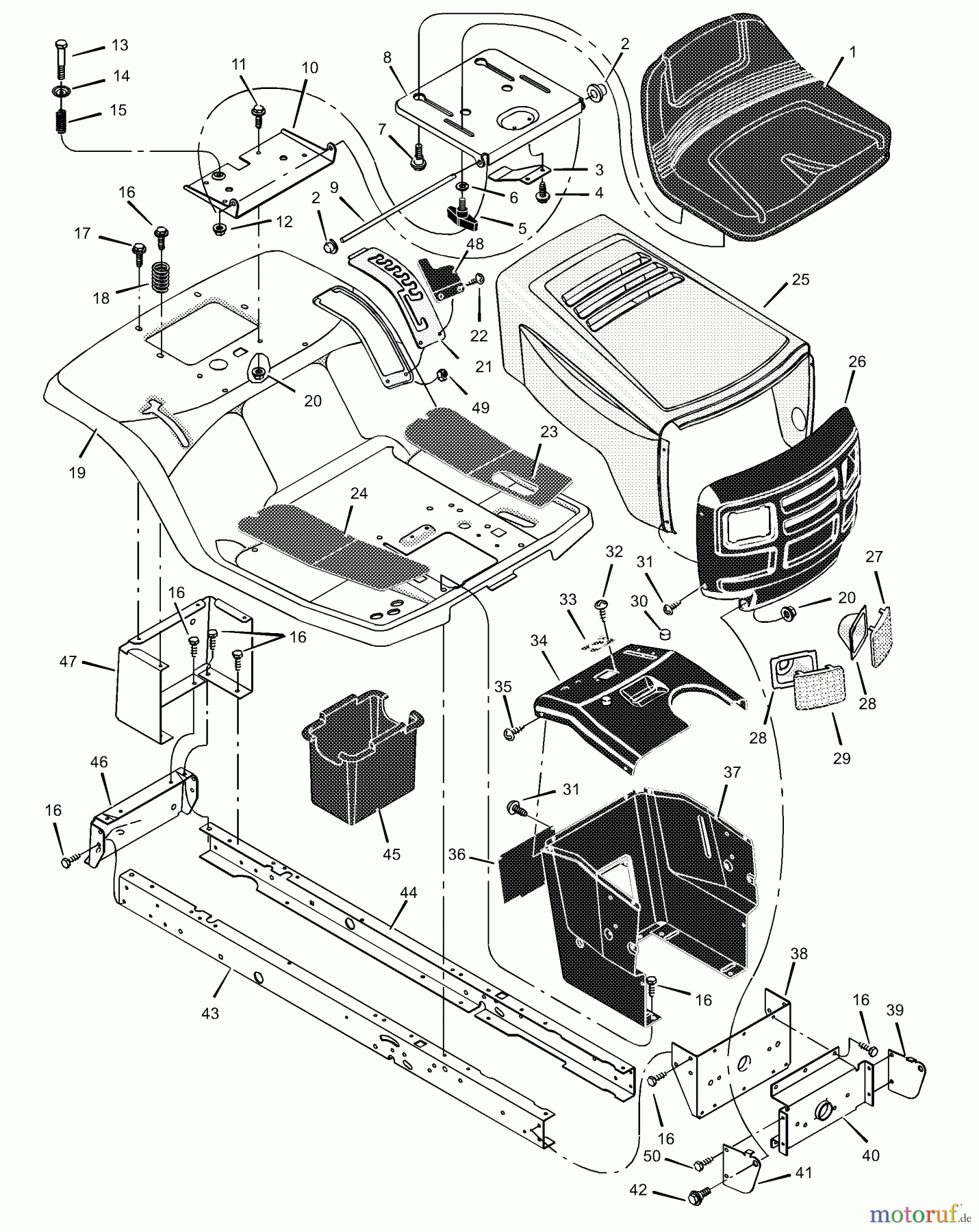
Posizione
Articolo numero
Descrizione
1
BS690566MA
SEAT MID-BACK BLACK
2
BS028X23MA
PUSH CAP.375
3
BS094057MA
BLATTFEDER
4
BS26X229MA
SCREW 1/4 14X.38 STHX
5
BS1001054MA
BOLT - WING
6
BS017X47MA
UNTERLEGSCHEIBE .34 .62
7
BS009X56MA
ANSATZBOLZEN.32-18X.375D
8
BS094154E701MA
SUPPORT, SEAT
9
BS094156ZMA
ROD - PIVOT
10
BS1001648E701MA
BRACKET - SEAT PIVOT
11
BS001X45MA
BOLT-HEX.31-18X0.62 Z
12
BS015X89MA
MUTTER 25-20FLANSCHARRETIERUNG
13
BS009X55MA
BOLT-SHD.25-20X.312D
14
BS094155ZMA
TOPFSCHEIBE
15
BS164X31MA
DRUCKFEDER
16
BS26X249MA
SCREW-.312-18X.75
17
BS26X263MA
SCREW.25-20 S-T
18
BS164X30MA
DRUCKFEDER
19
BS095249E276
20
BS015X88MA
NUT,CENTERLOCK Z .3
21
BS094151E701MA
LIFT - DETENT PLATE
22
BS009X47MA
BOLT-SHD.
23
BS094999MA
MATTE-TRITTBRETT LINKS
24
BS094998MA
MATTE-TRITTBRETT RECHTS
25
BS1001492E276
26
BS094079E701MA
GRILLE-SINGLE
27
BS094081MA
LINSE LINKS
28
BS094807ZMA
REFLEKTOR - SCHEINWERFER
29
BS094080MA
LINSE RECHTS
30
BS094744MA
BUMPER
31
BS26X250MA
SCREW-TAPPING 10-16
32
BS26X238MA
SCREW 1/4'' AB X.50
33
BS1001491MA
STEUERLAGER
34
BS094074E700
35
BS26X201MA
SCREW Z/BL CHROMATE
36
BS093007E701MA
PANEL-SIDE ACCESS
37
BS095318E717MA
DASH SUPPORT
38
BS1001270E701MA
BRKT - REAR HANGER
39
BS094083E700
40
BS094007E701MA
AXLE, HANGER
41
BS094082E700
42
BS009X58MA
ANSATZBOLZEN
43
BS1001268E701MA
RAHMENHOLM RECHTS
44
BS1001269E701MA
RAIL-FRAME LH
45
BS690424MA
BATTERY CONTAINER
46
BS1001002E700
47
BS690434E701MA
PANEL - REAR
48
BS094610MA
COVER-LIFT DETENT
49
BS015X81MA
NUT#10-24 MCLEANLOCK
50
BS26X277MA
SCREW-5/16-18X.50
--
BSF-020725L
Gestione della qualità
Aiutaci a migliorare il nostro sito. Informaci se trovi un errore.