.it
Benvenuti
Contatti
Spedizione
L’azienda
Guest book
Condizioni e Privacy
Catalogare
Tagliare, profilare
Componenti per motore
Officine meccaniche
Parti e componentistica per macchine varie
Forestali
Articoli elettrici
Articoli invernali
Cinghie trapezoidali e relative pulegge
Filters
PEZZI DI RICAMBIO
Sprocket Rims
Guide Bars
Chainsaw Chains
Search by Part Number
Diagrammi ed elenchi
Servizio
Determine Chain
Ricerca
Il mio account
Registrati
Log in
Settings
DE
EN
FR
ES
IT
Desktop
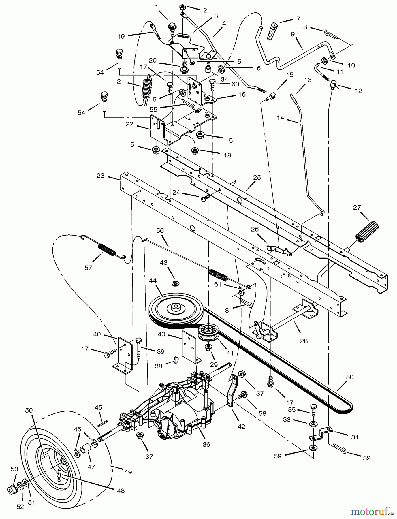
Murray 405015x92A - B&S/ 40" Lawn Tractor (2002) (Walmart) Motion Drive Ricambi
Start
Murray
Rasen- und Gartentraktoren
405015x92A - B&S/Murray 40" Lawn Tractor (2002) (Walmart)
Motion Drive
Motion Drive 405015x92A - B&S/Murray 40" Lawn Tractor (2002) (Walmart)
Posizione
Articolo numero
Descrizione
1
BS009X39MA
ANSATZBOLZEN .38-16 X .
2
BS105X89
3
BS690173ZMA
IDLER ARM ASSY (LT)
4
BS094041ZMA
ROD - CLUTCH
5
BS015X79MA
NUT.31-18 FLANGELOCK
6
BS17X102MA
UNTERLEGSCHEIBE-MAHER
7
BS092697MA
GRIP - .50 ID - BLACK
8
BS030X20MA
PIN-COTTER.09D-.750L
9
BS094043ZMA
LEVER - SHIFTER
10
BS017X47MA
UNTERLEGSCHEIBE .34 .62
11
BS094044ZMA
SPANNSTIFT
12
BS021920ZMA
JUSTIERMUTTER
13
BS091079MA
GRIP-BLACK .207 ID X
14
BS1001245ZMA
ROD - PARKING BRAKE
15
BS094815ZMA
NUT-ADJUSTING
16
BS1001303ZMA
HALTER, VERSTELLGELENK
17
BS26X249MA
SCREW-.312-18X.75
18
BS015X84MA
MUTTER, CENTERLOCK .38-
19
BS094042ZMA
FEDERBOLZEN MTG.
20
BS009X54MA
BOLT-SHD.25-20X.375D
21
BS165X116MA
LEITZUGFEDER
22
BS1001302E700
23
BS1001268E700
24
BS002X53MA
BOLT,CRG .31-18 X 0.
25
BS1001269E701MA
RAIL-FRAME LH
26
BS094045ZMA
SPERRRIEGEL-PARKBREMSE
27
BS021544MA
CLUTCH & BRAKE PEDAL
28
BS7400256ZMA
HEBEL, HALTER. KUPPLUNG
29
BS015X98MA
MUTTER.38-16 FLANSCHARRETIERUN
30
BS037X87MA
BELT-V-MOTION DRIVE
31
BS094031ZMA
YOKE-SHIFT
32
BS0031X6MA
PIN, HAIR .38D - .0
33
BS017X38MA
UNTERLEGSCHEIBE.26.75 16G FLT
34
BS690369MA
SPACER 1/2'' TO 17 MM
35
BS06X105MA
CAP SCREW 1/4-28 (AR
36
BS
Eingangswelle UE 600
37
BS015X88MA
NUT,CENTERLOCK Z .3
38
BS020697MA
WOODRUFF KEY #9
39
BS01X155MA
BOLT-HEX.31-18X2.50 P
40
BS094008E701MA
BRACKET - T/A
41
BS690409MA
IDLER PULLEY - 2.75 D
42
BS
Eingangswelle UE 600
43
BS0011X7MA
SPRENGRING/SEEGERRING.625D.035
44
BS095094MA
PULLEY - LOW NOISE
45
BS021553MA
VIERKANTSCHLUSSEL- 3/16
46
BS17X160MA
WASHER.76-1.2 16G FL
47
BS690554ZMA
SPACER
48
BS024373MA
VENTIL STM&CP,TR41 SE
49
BS091923MA
REIFEN,18X8.5-8 RASEN SE
--
BS407049MA
INNER TUBE-18X9.5 SE
50
BS092288601MA
18X8.50 WHL ASSY II
51
BS17X195MA
UNTERLEGSCHEIBE
52
BS0011X3MA
RING,E .750D .050T
53
BS094618MA
HUB CAP
54
BS093349MA
FUHRUNGSSCHRAUBE - ZINK
55
BS0031X4MA
PIN, HAIR .56D - .09
56
BS165X115MA
BREMSZUGFEDER
57
BS165X92MA
SPRING-EXTENSION
58
BS26X216MA
SCREW-THREAD FORMING
59
BS17X148MA
UNTERLEGSCHEIBE.38 SQ 1. 16G F
60
BS26X267MA
SCREW 5/16-18
61
BS17X169MA
UNTERLEGSCHEIBE.377-1-.03 FLT
Gestione della qualità
Aiutaci a migliorare il nostro sito. Informaci se trovi un errore.