.it
Benvenuti
Contatti
Spedizione
L’azienda
Guest book
Condizioni e Privacy
Catalogare
Tagliare, profilare
Componenti per motore
Officine meccaniche
Parti e componentistica per macchine varie
Forestali
Articoli elettrici
Articoli invernali
Cinghie trapezoidali e relative pulegge
Filters
PEZZI DI RICAMBIO
Sprocket Rims
Guide Bars
Chainsaw Chains
Search by Part Number
Diagrammi ed elenchi
Servizio
Determine Chain
Ricerca
Il mio account
Registrati
Log in
Settings
DE
EN
FR
ES
IT
Desktop
Murray 405002x8A - Scotts 40" Lawn Tractor (2002) (Home Depot) Engine Mount Ricambi
Start
Murray
Rasen- und Gartentraktoren
405002x8A - Scotts 40" Lawn Tractor (2002) (Home Depot)
Engine Mount
Engine Mount 405002x8A - Scotts 40" Lawn Tractor (2002) (Home Depot)
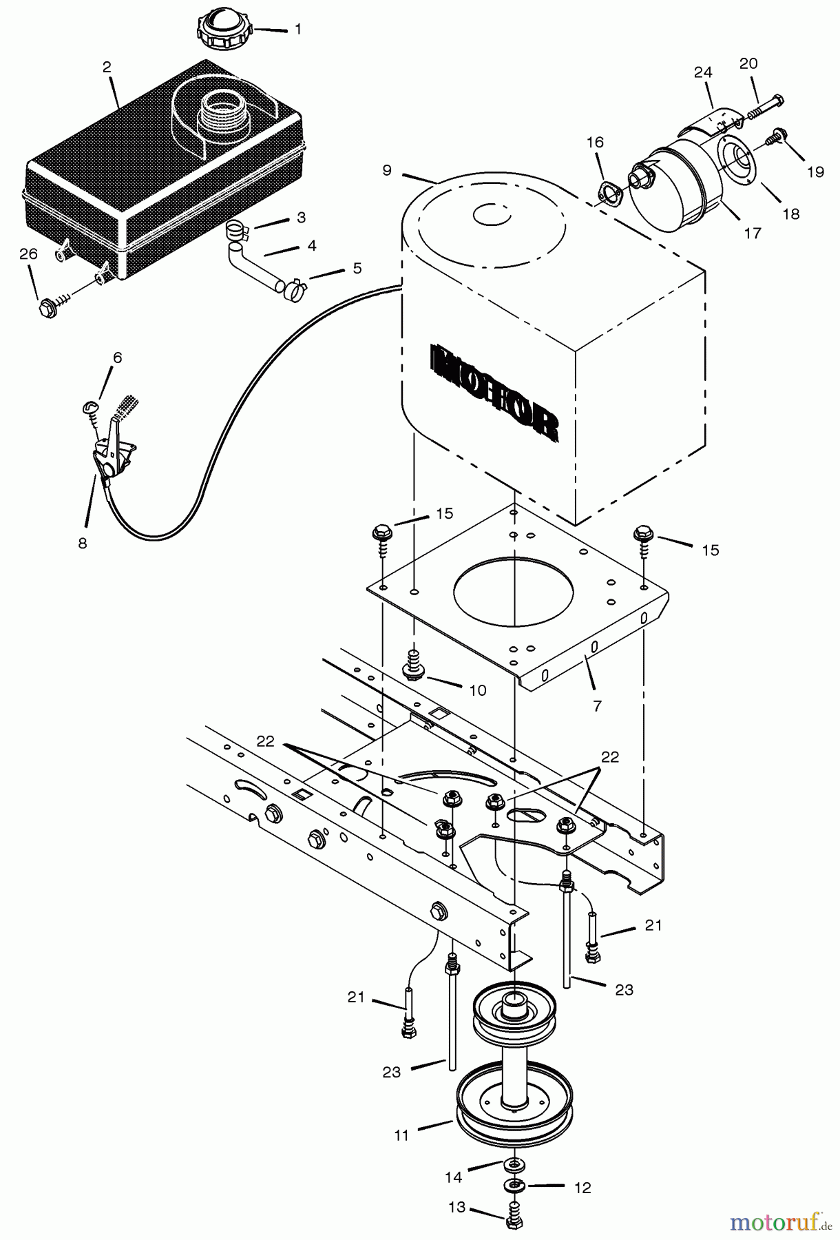
Posizione
Articolo numero
Descrizione
1
BS092317MA
BENZINDECKEL
2
BS7601092MA
FUEL TANK KIT 1.4
3
BS095197MA
SCHLAUCHSCHELLE - GELB
4
BS7601033MA
SERVICE KIT, FUEL LIN
5
BS095197MA
SCHLAUCHSCHELLE - GELB
6
BS26X201MA
SCREW Z/BL CHROMATE
7
BS094006E701MA
PLATE, ENGINE
8
BS091989
9
BS
Eingangswelle UE 600
10
BS0025X7MA
MOTORBOLZEN 3/8 X 1.25
11
BS690439MA
STK PULLEY 38-42 IN R
12
BS019X35MA
WASHER.43-0.74 X.04 S
13
BS01X140MA
SECHSKANTBOLZEN.43-20X1.50 Z
14
BS17X170MA
WASHER.46.97.25 FLAT
15
BS26X249MA
SCREW-.312-18X.75
16
BS692236
AUSPUFFDICHTUNG
17
BS091271SEMA
SCHALLDARMPFER 12HP B&S
18
BS094099ZMA
DEFLEKTOR-AUSPUFF
19
BS26X208MA
GEWINDESCHRAUBE-.375-B
20
BS01X134MA
BOLT-HEX.31-18X4.12 O
21
BS093349MA
FUHRUNGSSCHRAUBE - ZINK
22
BS015X79MA
NUT.31-18 FLANGELOCK
23
BS094066MA
FUHRUNGSSCHRAUBE
24
BS091277MA
HEAT SHIELD
26
BS26X253MA
SCREW-THREAD FORMING
Gestione della qualità
Aiutaci a migliorare il nostro sito. Informaci se trovi un errore.