.it
Benvenuti
Contatti
Spedizione
L’azienda
Guest book
Condizioni e Privacy
Catalogare
Tagliare, profilare
Componenti per motore
Officine meccaniche
Parti e componentistica per macchine varie
Forestali
Articoli elettrici
Articoli invernali
Cinghie trapezoidali e relative pulegge
Filters
PEZZI DI RICAMBIO
Sprocket Rims
Guide Bars
Chainsaw Chains
Search by Part Number
Diagrammi ed elenchi
Servizio
Determine Chain
Ricerca
Il mio account
Registrati
Log in
Settings
DE
EN
FR
ES
IT
Desktop
Cub Cadet XZ7 L122 ULTIMA 47AIAAA6603 (2022) Engine accessories Ricambi
Start
Cub Cadet
Zero Turn
XZ7 L122 ULTIMA
47AIAAA6603 (2022)
Engine accessories
Engine accessories 47AIAAA6603 (2022)
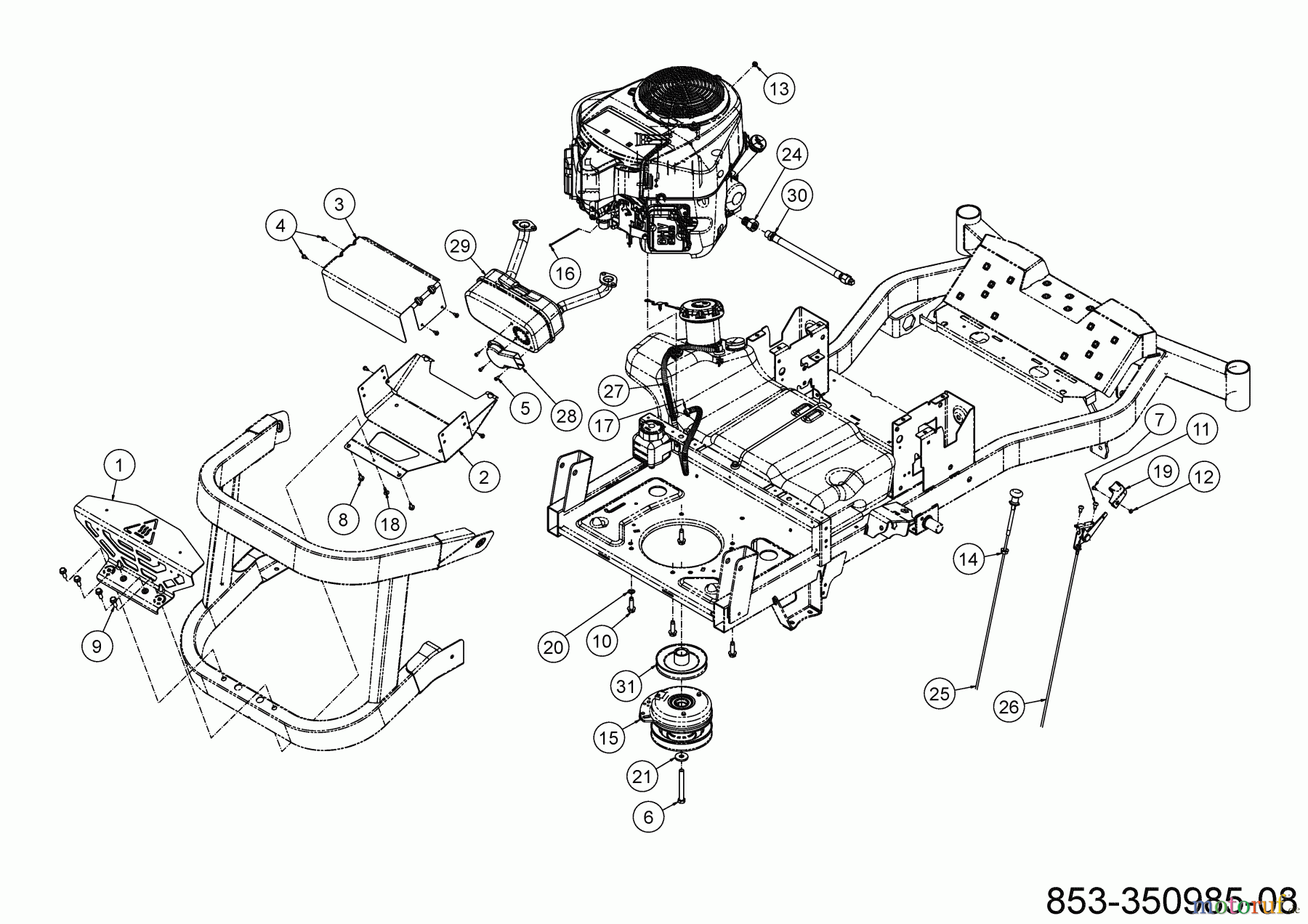
Posizione
Articolo numero
Descrizione
1
603-08299A
2
703-16041A
SHIELD MUFFLER LOWER
3
703-16042A
SHIELD MUFFLER TOP
4
710-0224
SCR:AB:#10-16:0.50:HXINDWSH
5
710-0227
SCR:AB:#8-18:0.50:HXINDWH
6
710-04379A
SCR.HHCS:7/16-20:3.50:GR5:LOCK
7
710-05070A
SCR:TT:1/4-20:0.50:PAN:TYPE6
8
710-06133
SCR:CF:M6x1:0.63:HXACRN
9
710-1238A
HHWSH:5/16-18:0.875:GR5
10
710-1315
SCR:TT:3/8-16:1.25:HXINDWSH
11
710-3217
SCR:MACH:#8-32:0.375:TRUSPHI
12
712-0142
NUT:HEX:#8-32:GRA
13
712-05106
NUT:HEX:JAMLK:1/4-20:GRN2:NYL
14
712-3005
NUT:HEXFLGLK:3/8-16:GR5:SERR
15
717-06468
CLUTCH ELEC PTO
16
726-0197
TIE:CBL:PANDUIT SST-1M
17
726-0205
CLAMP HOSE: 0.50
18
726-04099A
RATCHET CLIP
19
731-09637
KNOB THROTTLE CONTROL
20
736-0148
WASH:LOCK:3/8:EXT
21
736-0322
WASH:FL:0.440 x1.258 x0.164:HD
24
737-04138A
DRAIN PLUG
25
746-04847A
CHOKE CABLE
26
746-05131A
THROTTLE CABLE ASSEMBLY
27
751-10349A
28
751-11053B
DFL:MFLR:LONG EXHAUST
29
751-11471F
MUFFLER EXHAUST KAWASAKI TWIN
30
751-15324A
HOSE OIL DRAIN 11.26" 3/8 NPT
31
756-06203A
PULLEY
Gestione della qualità
Aiutaci a migliorare il nostro sito. Informaci se trovi un errore.