.it
Benvenuti
Contatti
Spedizione
L’azienda
Guest book
Condizioni e Privacy
Catalogare
Tagliare, profilare
Componenti per motore
Officine meccaniche
Parti e componentistica per macchine varie
Forestali
Articoli elettrici
Articoli invernali
Cinghie trapezoidali e relative pulegge
Filters
PEZZI DI RICAMBIO
Sprocket Rims
Guide Bars
Chainsaw Chains
Search by Part Number
Diagrammi ed elenchi
Servizio
Determine Chain
Ricerca
Il mio account
Registrati
Log in
Settings
DE
EN
FR
ES
IT
Desktop
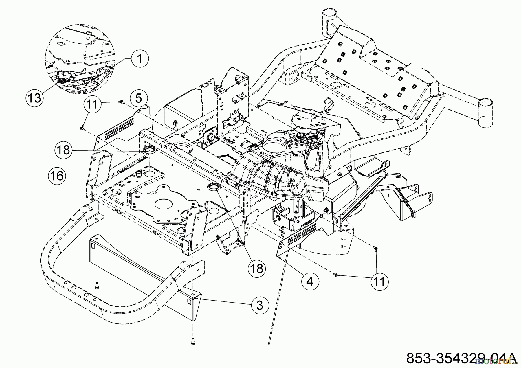
Cub Cadet XZ7 L122 ULTIMA 47AIAAA6603 (2021) Mower deck fairings Ricambi
Start
Cub Cadet
Zero Turn
XZ7 L122 ULTIMA
47AIAAA6603 (2021)
Mower deck fairings
Mower deck fairings 47AIAAA6603 (2021)
Posizione
Articolo numero
Descrizione
1
703-11034
THROTTLE CONTROL PLATE
2
703-20744637
PROTECTION PLATE
3
703-25149
4
703-25185
BRKT-TRANS COVER RH
5
703-25186
BRKT-TRANS COVER LH
6
703-25188
BELT CASE COVER
7
703-25189
COVER BELT RH
8
703-25285
COVER DECK 48"
9
703-25286A
COVER DECK REAR
10
710-0276
BOLT:CRG:5/16-18:1.00:GR5:STD
11
710-06133
SCR:CF:M6x1:0.63:HXACRN
12
710-1238
HHWSH:5/16-18:0.88:GR5
13
712-0292
NUT:CLIP ON:1/4-20:U-TYPE
14
712-04063
NUT:HEXFLGLK:5/16-18:GRN5:NYL
15
721-06081A
RUBBER BUSHING
16
725-3237
CVR:BATTERY TERM RED
17
726-0201
RET:PUSH-ON:BOLT:5/16-18
18
726-05352
PLUG 1.75"
19
728-05043
RIVET NUT 5/16-18
20
735-0199A
BUMPER-RUBBER:.62 OD x.22 THK