.it
Benvenuti
Contatti
Spedizione
L’azienda
Guest book
Condizioni e Privacy
Catalogare
Tagliare, profilare
Componenti per motore
Officine meccaniche
Parti e componentistica per macchine varie
Forestali
Articoli elettrici
Articoli invernali
Cinghie trapezoidali e relative pulegge
Filters
PEZZI DI RICAMBIO
Sprocket Rims
Guide Bars
Chainsaw Chains
Search by Part Number
Diagrammi ed elenchi
Servizio
Determine Chain
Ricerca
Il mio account
Registrati
Log in
Settings
DE
EN
FR
ES
IT
Desktop
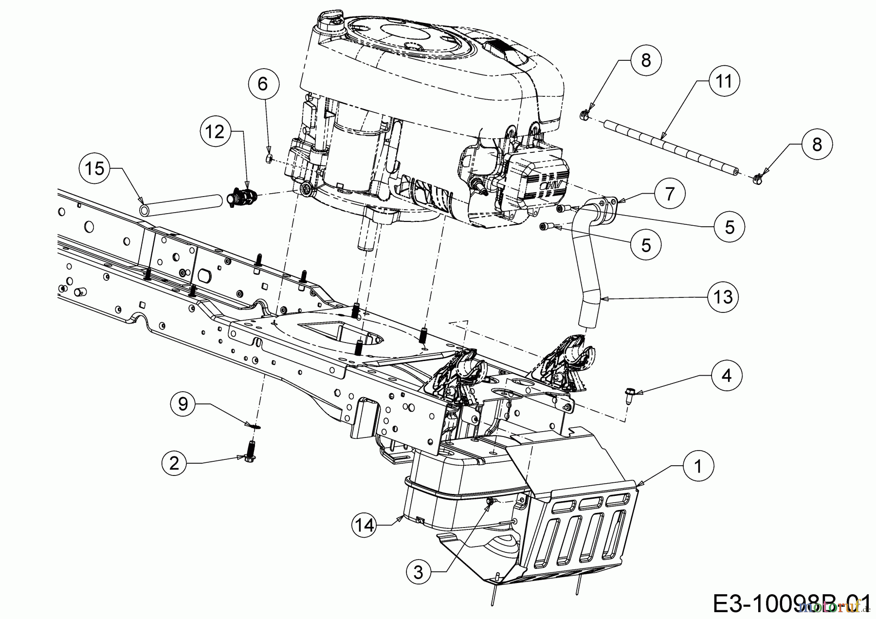
Cub Cadet XT1 OR106 BS 13ALA1CR603 (2020) Engine accessories Ricambi
Start
Cub Cadet
Lawn tractors
XT1 OR106 BS
13ALA1CR603 (2020)
Engine accessories
Engine accessories 13ALA1CR603 (2020)
Posizione
Articolo numero
Descrizione
1
683-05142A
SHLD ASM:EXH:HEAT
2
710-04683C
SCR.TT:3/8-16:1.000:HEXINDWSH
3
710-06133
SCR:CF:M6x1:0.63:HXACRN
4
710-06256
SCR:TT:M8-1.25 X.750:HXINDWSH
5
710-1314A
SCR:SOC HD:5/16-18:.750 GR8
6
712-05106
NUT:HEX:JAMLK:1/4-20:GRN2:NYL
7
721-0208
EXHAUST GSKT 10 & 11 HP
8
726-0205
CLAMP HOSE: 0.50
9
736-0148
WASH:LOCK:3/8:EXT
11
751-10349
HOSE:FUEL:LOW PERMEATION
12
751-10517A
DRN:OIL
13
751-14477
PIPE:EXH:B&S SGL
14
751-14504A
MFLR:SGL W/DFL
15
751-3141
HOSE:EXTN:OIL DRAIN
Gestione della qualità
Aiutaci a migliorare il nostro sito. Informaci se trovi un errore.