.it
Benvenuti
Contatti
Spedizione
L’azienda
Guest book
Condizioni e Privacy
Catalogare
Tagliare, profilare
Componenti per motore
Officine meccaniche
Parti e componentistica per macchine varie
Forestali
Articoli elettrici
Articoli invernali
Cinghie trapezoidali e relative pulegge
Filters
PEZZI DI RICAMBIO
Sprocket Rims
Guide Bars
Chainsaw Chains
Search by Part Number
Diagrammi ed elenchi
Servizio
Determine Chain
Ricerca
Il mio account
Registrati
Log in
Settings
DE
EN
FR
ES
IT
Desktop
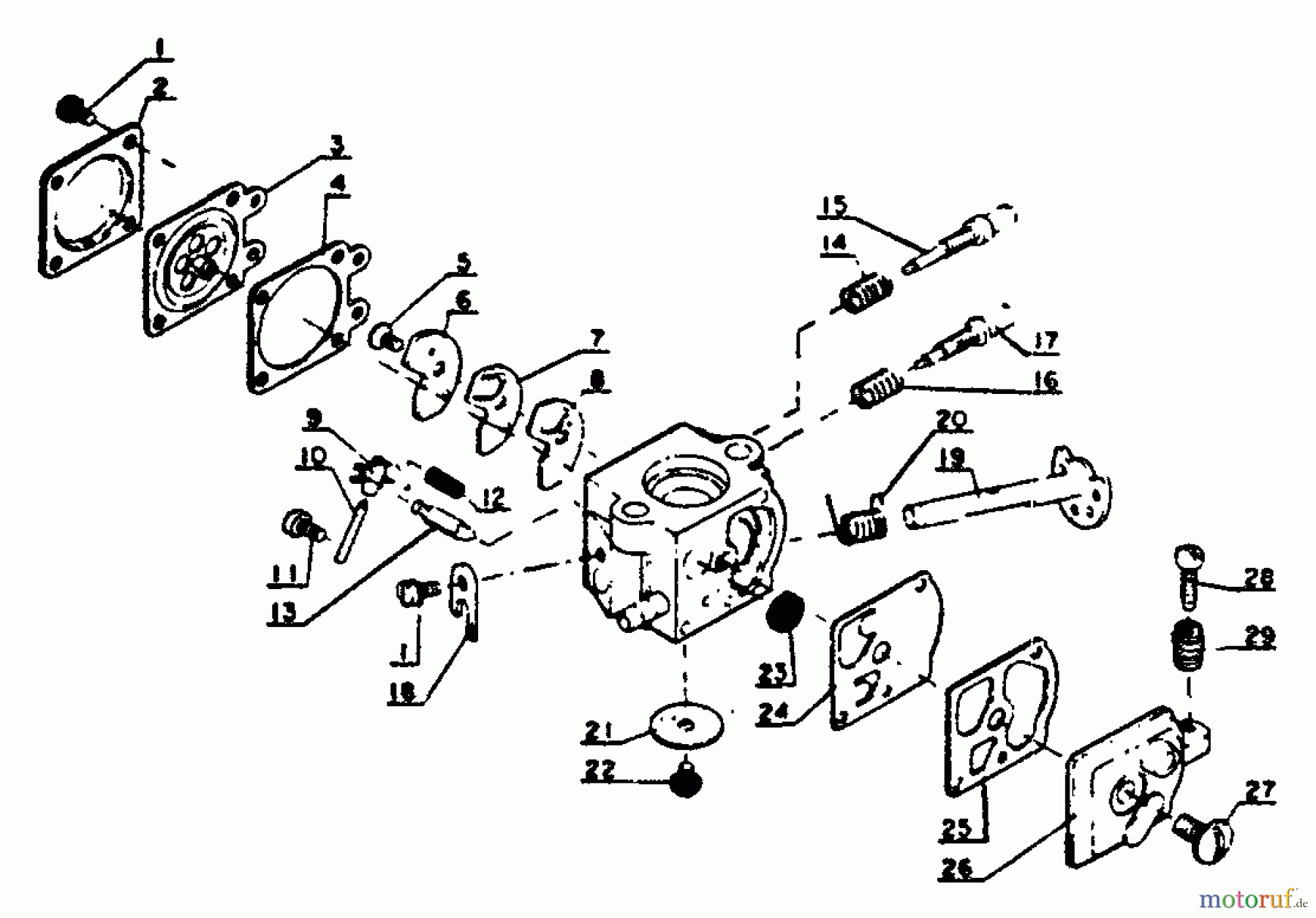
Echo CS-302S - Chainsaw, S/N: 17501 - 30500 Carburetor Ricambi
Start
Echo
Sägen, Kettensägen
CS-302S - Echo Chainsaw, S/N: 17501 - 30500
Carburetor
Carburetor CS-302S - Echo Chainsaw, S/N: 17501 - 30500
Posizione
Articolo numero
Descrizione
16-123000-03931
Vergaser Produlktion
1
16-123144-03930
Schraube
2
16-123142-03930
Deckel CS-2600/3700/SRM-320/
3
16-123141-03930
Membrane CS-2600,3500,3700/HC-
4
16-123140-03930
Dichtung CS-3700, GT-2150
5
16-123167-05230
Schraube Produktion
6
1699999999999
7
16-123165-03930
Membrane
8
16-123164-03930
Dichtung(Papier)
9
16-123123-38330
Ventilhebel CS-3700/4200/
10
16-123138-03930
Stift, Ventilhalter, Vergaser
11
16-123139-03930
Schraube CS-2600/3700/452GS/
12
16-123122-11130
Feder CS-3700
13
16-123137-03930
Einlassventil
14
16-123119-03930
Feder,PB-210E,PB-300E,PB-400E
15
16-123120-10030
Einstellschraube Produktion
16
16-123121-03930
Feder
17
16-123118-06230
Einstellschraube Produktion
18
16-123127-03930
Klipp CS-3700
19
16-123117-03930
Gasgestänge Produktion
20
16-123113-09660
Feder
21
16-123116-03930
Drosselklappe CS-350/350T
22
16-123114-03930
Schraube
23
16-123126-10631
Sieb, Vergaser, Einlass PPT-
24
16-123112-03930
Membrane SRM-200AE
25
16-123125-03930
Dichtung, PB-400E
26
16-123124-03930
Deckel Produktion eingestellt
27
16-123110-03930
Schraube CS-2600/3700/452GS/
28
16-123134-03930
Einstellschraube
29
16-123133-03930
Feder Produktion eingestellt
Gestione della qualità
Aiutaci a migliorare il nostro sito. Informaci se trovi un errore.