Powerline Rasentraktor T 16-92 HD-H Edition Ricambi
T 16-92 HD-H Edition Rasentraktor
Articolo numero: 119630 119630

| Posizione | Articolo numero | Descrizione | |
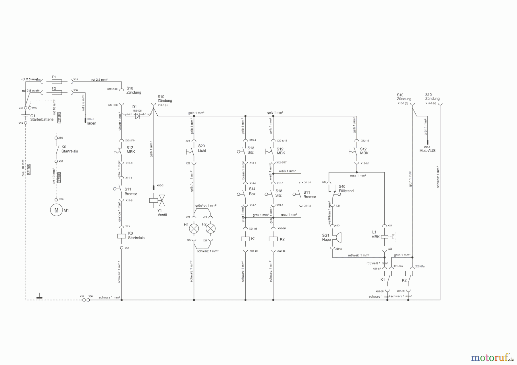
| AL521363 | KABEL ROT STARTER/RELAIS | ||
| AL521365 | KABEL BLAU MASSELEITER | ||
| AL521366 | KABEL ROT BATTERIE/RELAIS | ||



