.it
Carrello
vuoto
Il mio account
Registrati
Log in
Benvenuti
Contatti
Spedizione
L’azienda
Guest book
Condizioni e Privacy
Catalogare
Tagliare, profilare
Componenti per motore
Officine meccaniche
Parti e componentistica per macchine varie
Forestali
Articoli elettrici
Articoli invernali
Cinghie trapezoidali e relative pulegge
Filters
PEZZI DI RICAMBIO
Sprocket Rims
Guide Bars
Chainsaw Chains
Search by Part Number
Diagrammi ed elenchi
Servizio
Determine Chain
Ricerca
DE
EN
FR
ES
IT
Versione mobile
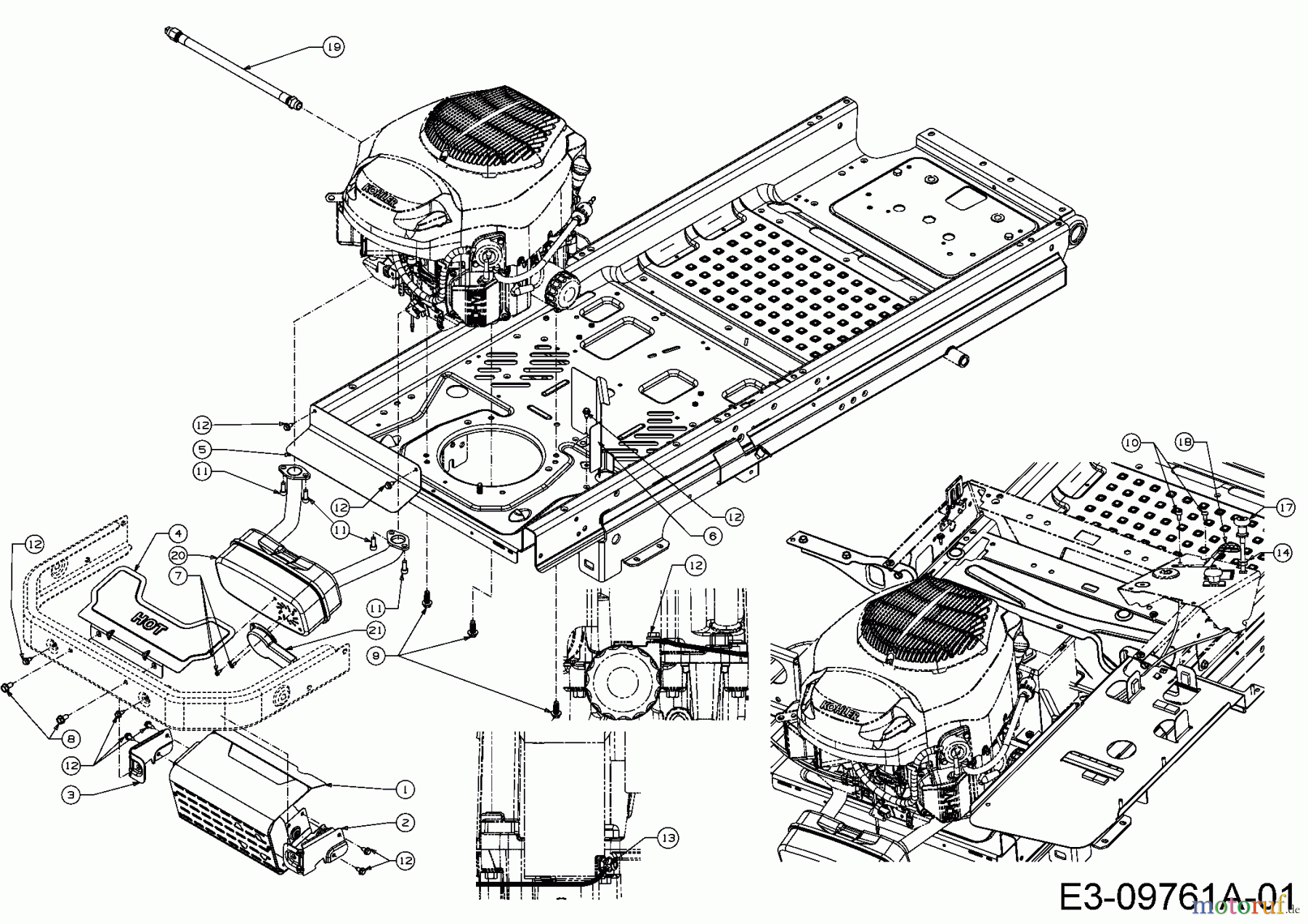
Cub Cadet Z-Force S 60 17BSDGHD010 (2016) Engine accessories Ricambi
Start
Cub Cadet
Zero Turn
Z-Force S 60
17BSDGHD010 (2016)
Engine accessories
Engine accessories 17BSDGHD010 (2016)
Posizione
Articolo numero
Descrizione
1
603-05156A
2
703-08671B
3
703-08695A
4
703-09083
5
703-09195
SHIELD LOWER HEAT
6
703-09611A
HEAT SHIELD
7
710-0227
SCR:AB:#8-18:0.500:HXINDWH
8
710-04484
SCREW:TT:5/16-18:.750:HXINDWSH
9
710-04683C
SCR.TT:3/8-16:1.000:HEXINDWSH
10
710-05070
SCR:TT:1/4-20:.5:PANTRXI:BLK
11
710-1314A
SCR:SOC HD:5/16-18:.750 GR8
12
710-1652
SCR:TT:1/4-20 x.625:HXINDWH
13
712-04064
NUT:FLGLK:1/4-20:GRF:NYLON
14
712-3005
NUT:FLGLK:3/8-16:GR5
17
746-04214
CABLE-CHOKE 61.0 LG
18
746-05133
THROTTLE CABLE 59"
19
751-10291A
HOSE-OIL DRAIN 13,75 LG
20
751-10528B
MUFFLER KOHLER TWIN
21
751-11053A
DFL:MFLR:LONG EXHAUST
Gestione della qualità
Aiutaci a migliorare il nostro sito. Informaci se trovi un errore.