.it
Carrello
vuoto
Il mio account
Registrati
Log in
Benvenuti
Contatti
Spedizione
L’azienda
Guest book
Condizioni e Privacy
Catalogare
Tagliare, profilare
Componenti per motore
Officine meccaniche
Parti e componentistica per macchine varie
Forestali
Articoli elettrici
Articoli invernali
Cinghie trapezoidali e relative pulegge
Filters
PEZZI DI RICAMBIO
Sprocket Rims
Guide Bars
Chainsaw Chains
Search by Part Number
Diagrammi ed elenchi
Servizio
Determine Chain
Ricerca
DE
EN
FR
ES
IT
Versione mobile
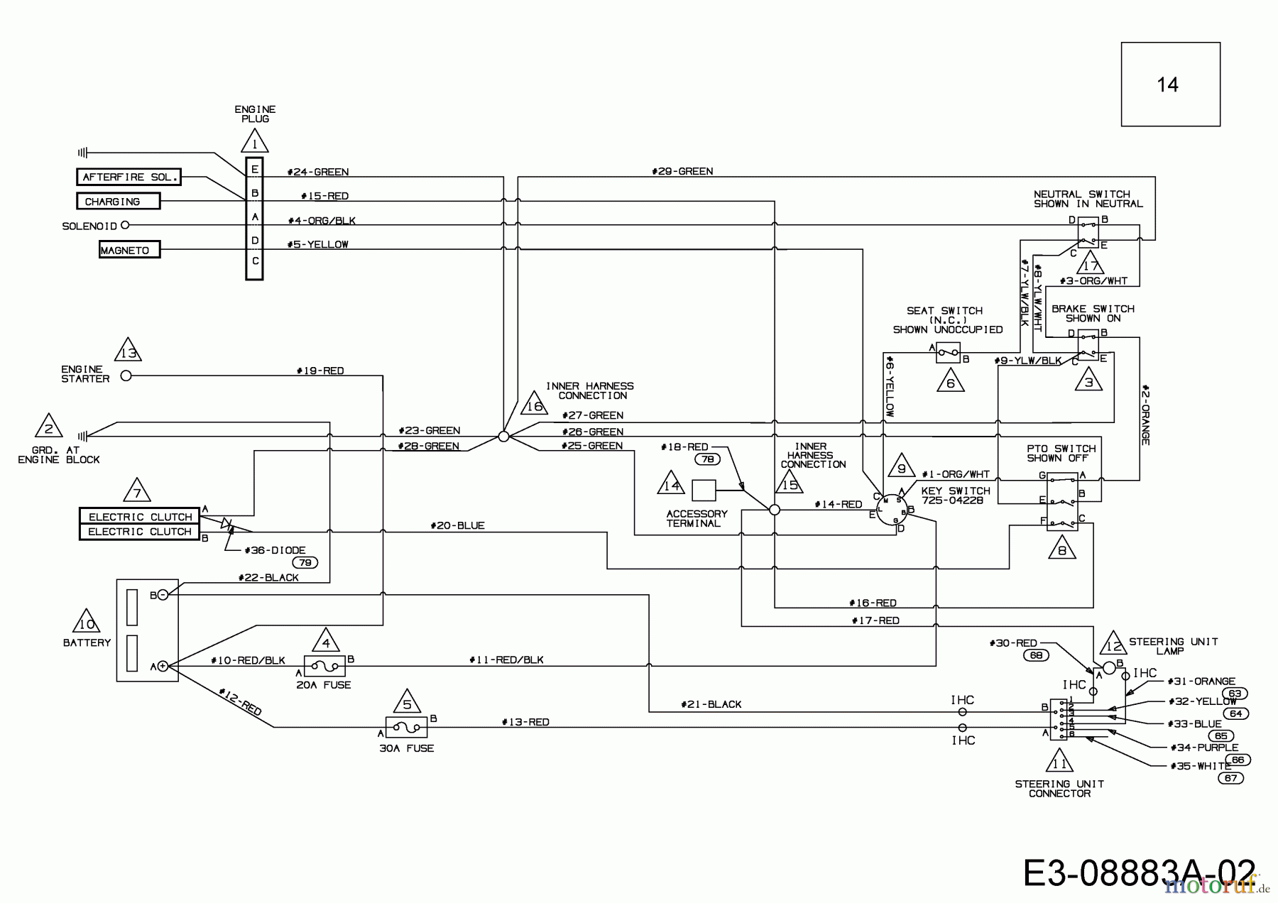
Cub Cadet Tank SZ 60 Commercial 53RI2PUD050 (2015) Wiring diagram Ricambi
Start
Cub Cadet
Zero Turn
Tank SZ 60 Commercial
53RI2PUD050 (2015)
Wiring diagram
Wiring diagram 53RI2PUD050 (2015)
Posizione
Articolo numero
Descrizione
14
725-06155
HARNESS
Gestione della qualità
Aiutaci a migliorare il nostro sito. Informaci se trovi un errore.