Powerline Rasentraktor T 20-102 HD Ricambi
T 20-102 HD Rasentraktor
Articolo numero: 119413

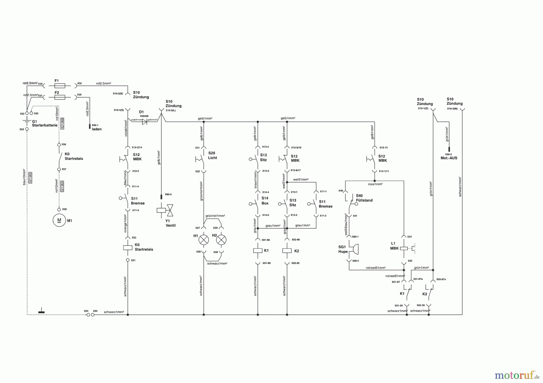
| Posizione | Articolo numero | Descrizione | |
| AL521363 | KABEL ROT STARTER/RELAIS | ||
| AL521365 | KABEL BLAU MASSELEITER | ||
| AL521366 | KABEL ROT BATTERIE/RELAIS | ||

| Posizione | Articolo numero | Descrizione | |
| AL521363 | KABEL ROT STARTER/RELAIS | ||
| AL521365 | KABEL BLAU MASSELEITER | ||
| AL521366 | KABEL ROT BATTERIE/RELAIS | ||

