Troy-Bilt Super Bronco GT 54 FAB 14A7A3KA066 (2018) Wiring diagram Ricambi
Wiring diagram 14A7A3KA066 (2018)

| Posizione | Articolo numero | Descrizione | |
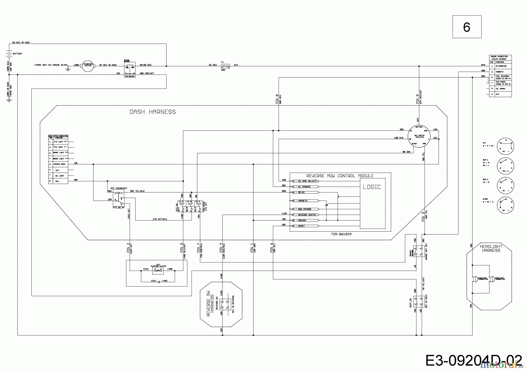
| 6 | 725-06127B | HARN:NX15:M:PTO:RMC:HM:DC | |

| Posizione | Articolo numero | Descrizione | |
| 6 | 725-06127B | HARN:NX15:M:PTO:RMC:HM:DC | |

