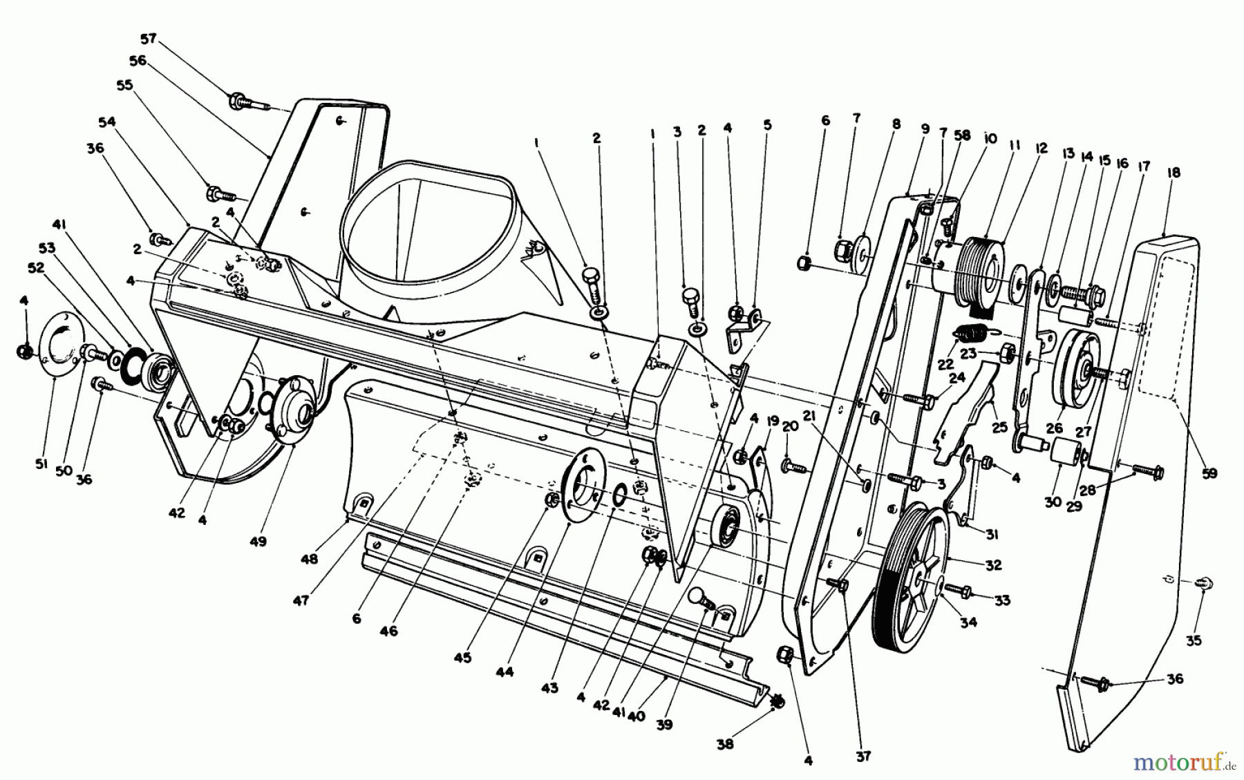
Toro 38180C - CCR 2000 Snowthrower, 1988 (8000001-8999999) HOUSING ASSEMBLY Ricambi
HOUSING ASSEMBLY 38180C - Toro CCR 2000 Snowthrower, 1988 (8000001-8999999)



Gestione della qualità
Aiutaci a migliorare il nostro sito. Informaci se trovi un errore.








