Carrello
Il mio account

Toro Z1-24OE04 (724-Z) - 724-Z Tractor, 1991 (1000001-1999999) ENGINE CYLINDER BLOCK Ricambi

ENGINE CYLINDER BLOCK Z1-24OE04 (724-Z) - Toro 724-Z Tractor, 1991 (1000001-1999999)

 Toro Neu Mowers, Zero-Turn Z1-24OE04 (724-Z) - Toro 724-Z Tractor, 1991 (1000001-1999999) ENGINE CYLINDER BLOCK
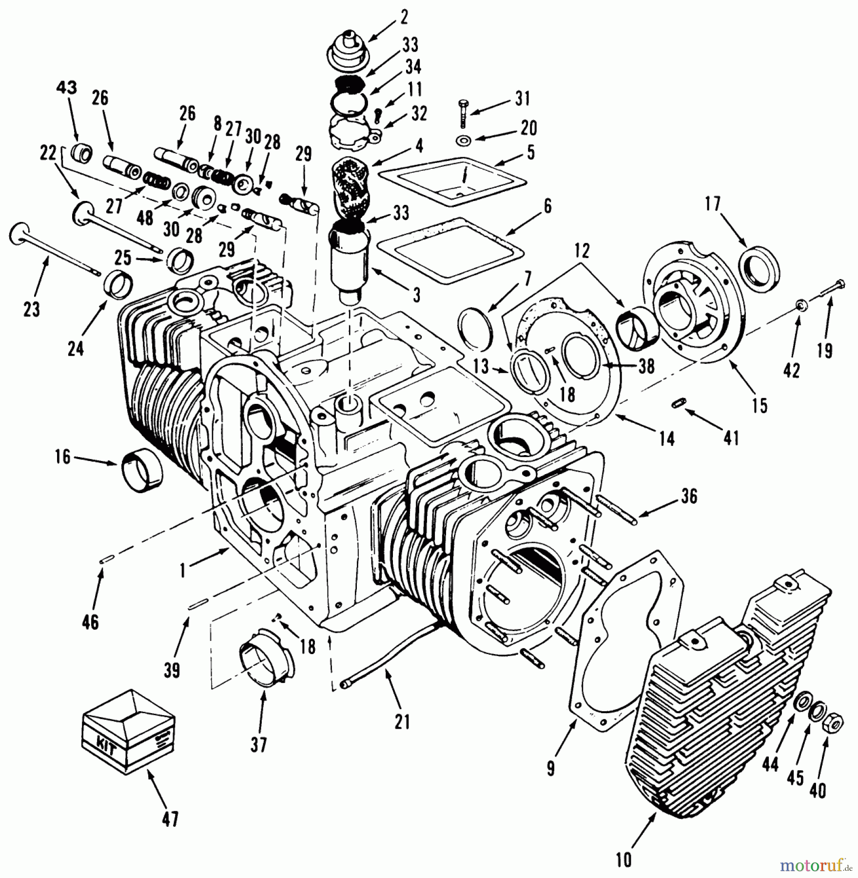
PosizioneArticolo numeroDescrizione
1 TRNN10692SHORT-BLOCK (T-260)
2 TR82-0550DISCONTINUED
3 TR82-0540TUBE-BREATHER
4 TR57-8580ENTLUEFTERSCHLAUCH
5 TR82-0280COVER-VALVE COMPARTMENT
6 TR82-0260GASKET-VALVE COVER
7 TRNN1053657-9690
8 TR82-0720KONSOLE
9 TR82-0130GASKET-CYLINDER HEAD
10 TR82-0210HEAD-CYLINDER
11 TR82-1480SCHRAUBE
12 TR57-8050BEARING KIT (STANDARD SLEEVE)
TR59-0020LAGER
TR57-8060LAGER
TR59-0030LAGER
TR59-0040LAGER
13 TRNN1047657-8160
14 TR57-8010Dichtung
15 TR57-804082-0020
16 TR57-8000Lager
17 TRNN1032157-9590
18 TR59-0730Stift
19 TR59-0880DISCONTINUED
20 TRNN1035957-9740
21 TR82-0480Oelschlauch
22 TR82-0220DISCONTINUED
23 TR82-023099-8089
24 TR82-0080Ventilsitz
TR82-0090INSERT
TR82-0100Ventilsitz
TR82-0110INSERT
TR82-0120VENTILSITZ
25 TRNN10918DISCONTINUED
TRNN10919DISCONTINUED
TRNN10920DISCONTINUED
TRNN10921DISCONTINUED
TRNN10922DISCONTINUED
26 TR82-0140Ventilfuehrung
TR82-0150GUIDE-VALVE, INTAKE
27 TRNN1004057-8250
28 TR82-0250LOCK-VALVE SPRING
29 TR57-8450TAPPET
TR59-027059-0260
30 TR57-8270Ventilteller
31 TR82-1380DISCONTINUED
32 TR82-0530DISCONTINUED
33 TR82-0560SIEB
34 TR82-0570O.Ring
36 TRNN1035192-0928
TRNN1034982-1230
TRNN1035082-1240
37 TR57-802057-8030
TR57-9360DISCONTINUED
TR57-8030FLANSCHBUECHSE
TR59-9800CLUTCH BRACKET *R
TR59-0010BEARING-CRANKSHAFT
38 TRNN1002357-8170
39 TRNN1033659-0750
40 TR82-0040MUTTER
41 TRNN10385
42 TR82-16403253-5
43 TR82-0240VENTILKAPPE
44 TRNN1054082-1300
45 TR82-1650FEDERRING
46 TRNN10339BLINDSTOPFEN
47 TRNN10923VERGASER-REPARATURSATZ
TRNN10903
48 TR82-0070WASHER
TR59-0770STOPFEN
Rasen
Bankeinzug, MasterCard, Visa, American Express, PayPal, Nachnahme, Vorauskasse, Sofortüberweisung
Gestione della qualità
Aiutaci a migliorare il nostro sito. Informaci se trovi un errore.