Toro 26641 - Lawnmower, 1989 (9000001-9999999) CARBURETOR TECUMSEH NO. 632521 Ricambi
CARBURETOR TECUMSEH NO. 632521 26641 - Toro Lawnmower, 1989 (9000001-9999999)

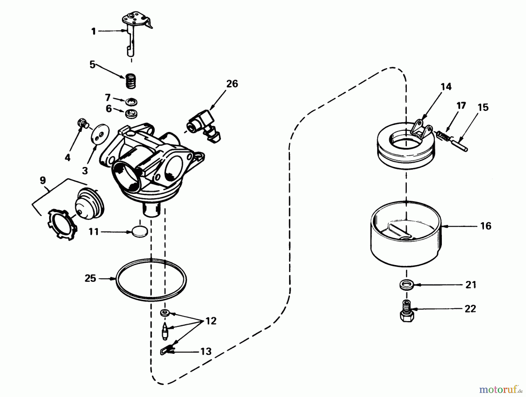
| Posizione | Articolo numero | Descrizione | |
| 1 | TC631615 | WELLE U, HEBEL | |
| 3 | TC632504 | DROSSELKLAPPE | |
| 4 | TC650506 | SCHRAUBE | |
| 5 | TC631767 | FEDER | |
| 6 | TC631183 | SCHEIBE | |
| 7 | TC631184 | WASHER | |
| 9 | TC632433A | PRIMER | |
| 11 | TC631027 | WELCH PLUG | |
| 12 | TC631021B | INLET NEEDLE | |
| 13 | TC631022 | KLEMME | |
| 14 | TC632019A | FLOAT | |
| 15 | TC631024 | FLOAT SHAFT | |
| 16 | TC631867 | SCHWIMMERGEHAEUSE | |
| 17 | TC632386 | FEDER | |
| 21 | ![]() | TC27110A | DICHTUNG |
| 22 | TC632505 | NUT | |
| 25 | TC631028A | DICHTUNG | |
| 26 | TC631807 | FUEL FITTING | |




