.it
Carrello
vuoto
Il mio account
Registrati
Log in
Benvenuti
Contatti
Spedizione
L’azienda
Guest book
Condizioni e Privacy
Catalogare
Tagliare, profilare
Componenti per motore
Officine meccaniche
Parti e componentistica per macchine varie
Forestali
Articoli elettrici
Articoli invernali
Cinghie trapezoidali e relative pulegge
Filters
PEZZI DI RICAMBIO
Sprocket Rims
Guide Bars
Chainsaw Chains
Search by Part Number
Diagrammi ed elenchi
Servizio
Determine Chain
Ricerca
DE
EN
FR
ES
IT
Versione mobile
Toro 22020 - Lawnmower, 1984 (4000001-4999999) ENGINE BRIGGS & STRATTON MODEL 131922-0163-01 #1 Ricambi
Start
Toro Neu
Mowers, Walk-Behind
Seite 2
22020 - Toro Lawnmower, 1984 (4000001-4999999)
ENGINE BRIGGS & STRATTON MODEL 131922-0163-01 #1
ENGINE BRIGGS & STRATTON MODEL 131922-0163-01 #1 22020 - Toro Lawnmower, 1984 (4000001-4999999)
Posizione
Articolo numero
Descrizione
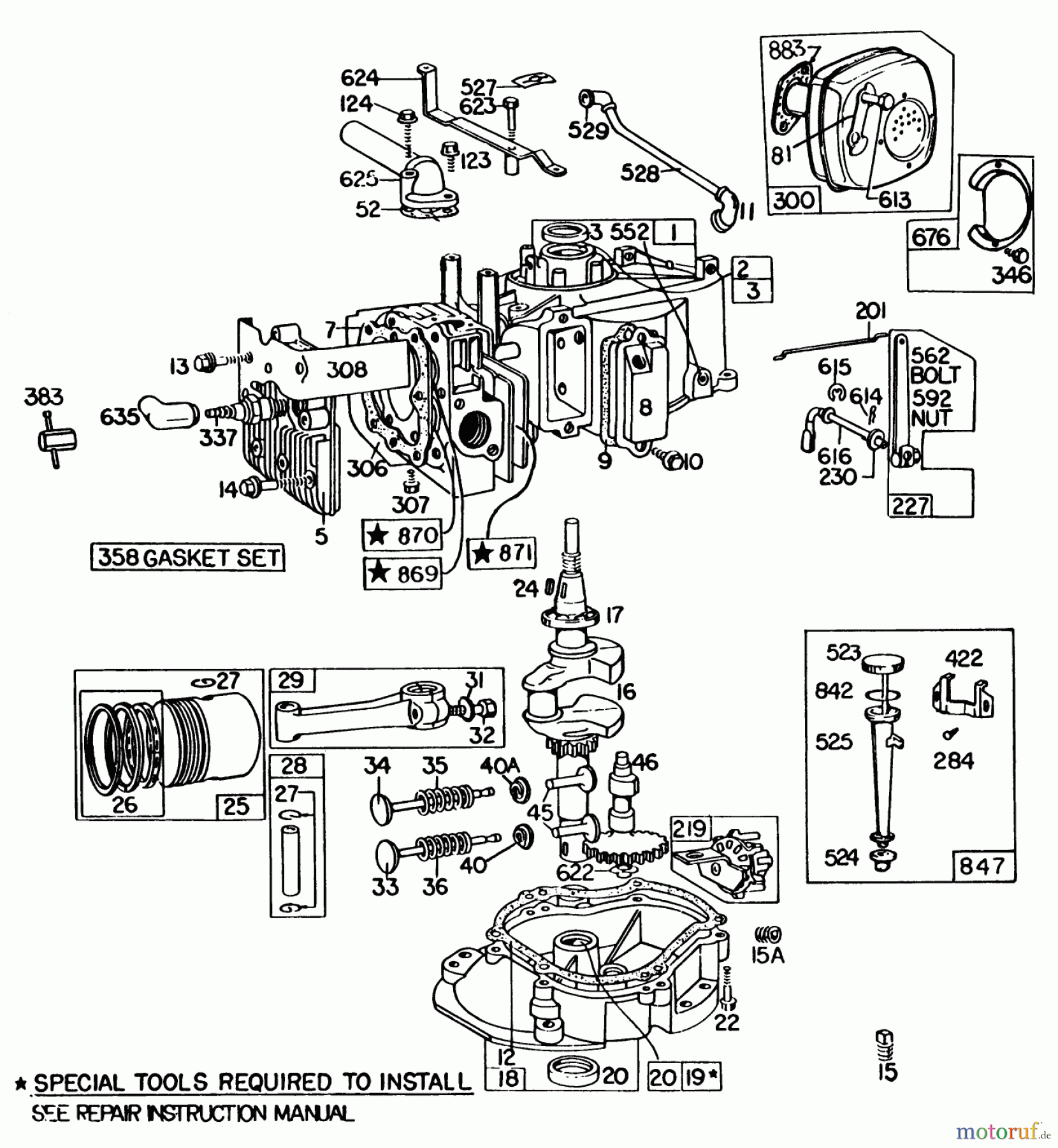
1
BS393885
ZYLINDER
2
BS297565
ZYLINDERBUECHSE
3
BS299819S
SIMMERRING 89660
5
BS211542
VERWEIS-NR. 691716
7
BS272157
VERWEIS ZU
8
BS495758
ENTLUEFTER
9
BS27549S
VENTILDECKELDICHTUNG
10
BS94621
11
BS67738
SCHUTZKAPPE
12
BS270069
DICHTUNG-KURBELGEH.
BS270122
DICHTUNG-KURBELGEH.
BS270123
DICHTUNG-KURBELGEH.
13
BS94221
14
BS94679
15
BS94239
15A
BS94613
16
BS397283
KURBELWELLE
17
BS99157
KUGELLAGER
18
BS390575
OELWANNE
19
BS297604
BUECHSE
20
BS391485
SIMMERRING 294167
22
BS94607
24
BS222698S
SCHWUNGRADKEIL
25
BS793214
KOLBEN KOMPLETT
BS393820
KOLBEN-010
BS298906
KOLBEN 020
BS298907
KOLBEN 030
26
BS393835
KOLBENRINGSATZ-STD
BS393836
KOLBENRINGSATZ-010
BS393837
KOLBENRINGSATZ-020
BS393838
KOLBENRINGSATZ-030
27
BS691588
KOLBENBOLZENSICHERUNG
28
BS298909
KOLBENBOLZEN 291925
BS298908
KOLBENBOLZEN 291926
29
BS299429
PLEUELSTANGE
31
BS222282
SCHEIBE 220460
32
BS691664
PLEUELSCHRAUBE
33
BS494191
AUSLASSVENTIL
34
BS261044S
EINL.-VENTIL
35
BS690520
FEDER
36
BS26826
VENTILFEDER AUSLASS
40
BS292259
DREHKAPPE
BS230126
STIFT
BS230127
FEDERTELLER
40A
BS692194
HALTER
45
BS690509
VENTILSTOESSEL
46
BS212733
VERWEIS ZU
52
BS270070
DICHTUNG
81
BS691729
SCHRAUBENSICHERUNG
123
BS93512
SCHRAUBE
124
BS93367
SCHRAUBE
201
BS260649
REGLERGESTAENGE
219
BS496062
REGLER + SCHLEUDER
227
BS391967
REGLERHEBEL
230
BS94742
284
BS93410
SCHRAUBE
300
BS493936
VERWEIS ZU
306
BS223804
LEITBLECH
307
BS691078
SCHRAUBE
308
BS221452
ZYLINDERKOPFDECKEL
337
BS802592
VERWEIS ZU
346
BS94896
358
BS496659
DICHTUNGSATZ
383
BS89838S
ZUENDK-SCHLUESSEL 19/21MM
422
BS222576
KLAMMER
523
BS494976
VERWEIS ZU
524
BS281370
VERWEIS ZU
525
BS497419
VERWEIS ZU
527
BS93376
KLEMME
528
BS230717
ENTLUEFTERROHR
529
BS67608
KNIESTUECK
552
BS692346
BUCHSE
562
BS92613
BOLZEN
592
BS691251
MUTTER
613
BS691413
SCHRAUBE 93566
614
BS691620
SPLINT
615
BS93307
HALTER
616
BS495242
REGLERHEBEL
622
BS260676
SCHEIBE
623
BS691630
SCHRAUBE 93566
624
BS297252
HEBEL
625
BS297254
ANSAUGKRUEMMER
635
BS66538S
ZUENDKERZENKAPPE
676
BS393757
ABWEISBLECH
842
BS691870
SEAL
847
BS392066
OELEINF.ROHR 390212
869
BS691705
DICHTRING
870
BS263094
VERWEIS-NR. 691856
871
BS63709
BUECHSE
883
BS272309
VERWEIS ZU
Gestione della qualità
Aiutaci a migliorare il nostro sito. Informaci se trovi un errore.