.it
Carrello
vuoto
Il mio account
Registrati
Log in
Benvenuti
Contatti
Spedizione
L’azienda
Guest book
Condizioni e Privacy
Catalogare
Tagliare, profilare
Componenti per motore
Officine meccaniche
Parti e componentistica per macchine varie
Forestali
Articoli elettrici
Articoli invernali
Cinghie trapezoidali e relative pulegge
Filters
PEZZI DI RICAMBIO
Sprocket Rims
Guide Bars
Chainsaw Chains
Search by Part Number
Diagrammi ed elenchi
Servizio
Determine Chain
Ricerca
DE
EN
FR
ES
IT
Versione mobile
Toro 20581 - Lawnmower, 1986 (6000001-6999999) ENGINE ASSEMBLY Ricambi
Start
Toro Neu
Mowers, Walk-Behind
Seite 1
20581 - Toro Lawnmower, 1986 (6000001-6999999)
ENGINE ASSEMBLY
ENGINE ASSEMBLY 20581 - Toro Lawnmower, 1986 (6000001-6999999)
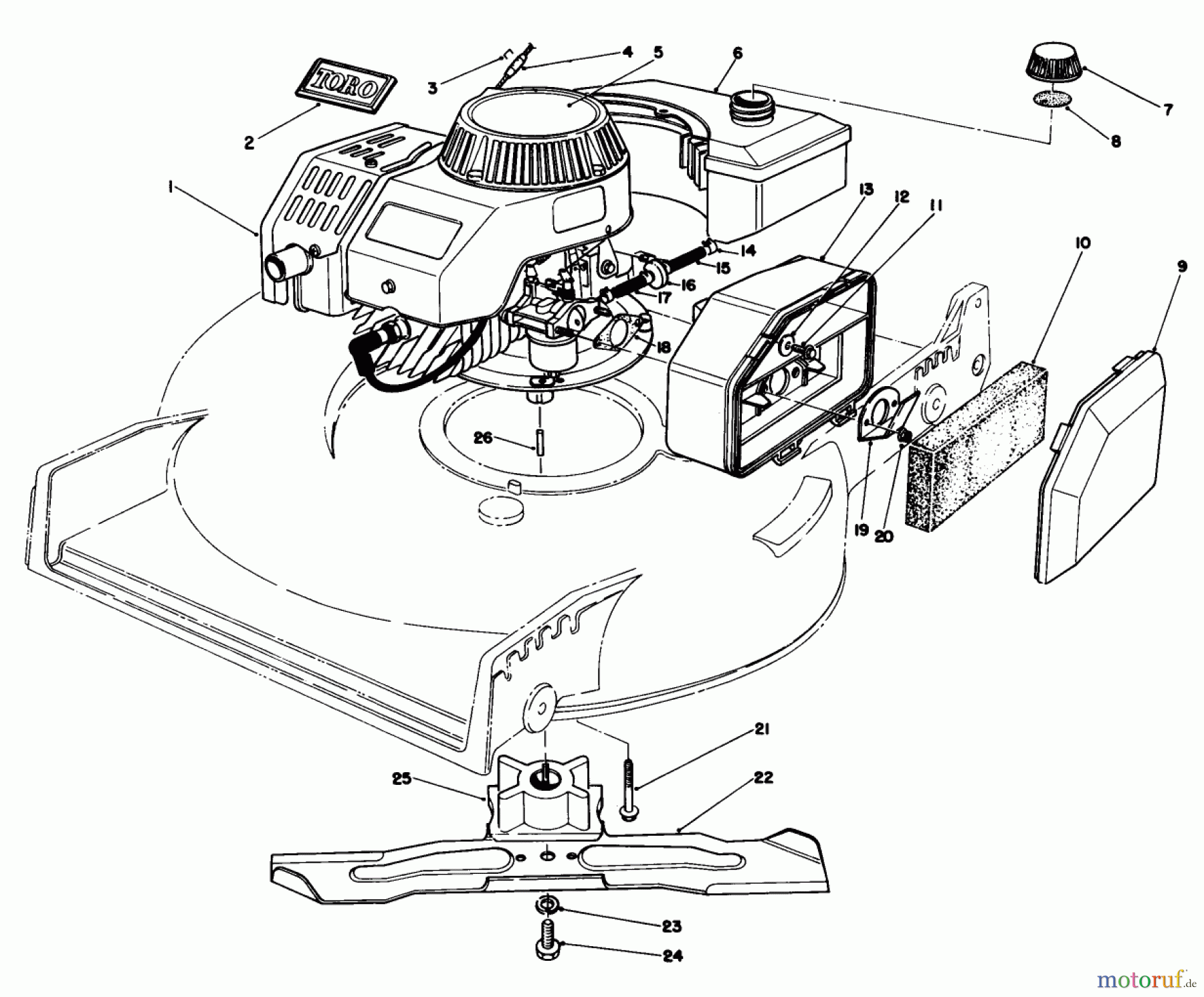
Posizione
Articolo numero
Descrizione
1
TR12-8099
SHORTBLOCK
2
TR98-3206
Toro-Klebeschild
3
TR
4
TR47-2480
STOP-ROPE
5
TR57-9870
DECAL
6
TR81-0041
99-5264
7
TR42-0681
Tankdeckel
8
TR20-4620
Dichtung
9
TR81-0120
Luftfilterdeckel
10
TR81-0100
Filtereinsatz
11
TR51-2690
Schraube
12
TR3256-16
WASHER-FLAT
13
TR81-0110
Luftfiltergehauese
14
TR2412-95
CLAMP-FUEL LINE
15
TR51-3216
Benzinschlauch
16
TR56-6360
VORFILTER
17
TR51-3215
HOSE-FUEL
18
TR81-0090
GASKET-AIR CLEANER
19
TR81-0140
Leitblech
20
TR33023-00
Stoppmutter
21
TR3234-11
Schraube
22
TR107-4276-03
BLADE-BAGGING, 21 INCH
23
TR3253-22
Federring
24
TR26-0670
Schraube
25
TR62-7540
Messernabe
26
TR7-0036
KEY-SQUARE
Gestione della qualità
Aiutaci a migliorare il nostro sito. Informaci se trovi un errore.