.it
Carrello
vuoto
Il mio account
Registrati
Log in
Benvenuti
Contatti
Spedizione
L’azienda
Guest book
Condizioni e Privacy
Catalogare
Tagliare, profilare
Componenti per motore
Officine meccaniche
Parti e componentistica per macchine varie
Forestali
Articoli elettrici
Articoli invernali
Cinghie trapezoidali e relative pulegge
Filters
PEZZI DI RICAMBIO
Sprocket Rims
Guide Bars
Chainsaw Chains
Search by Part Number
Diagrammi ed elenchi
Servizio
Determine Chain
Ricerca
DE
EN
FR
ES
IT
Versione mobile
Toro 72102 (269-H) - 269-H Lawn and Garden Tractor, 1997 (7900001-7999999) BYPASS RETURN Ricambi
Start
Toro Neu
Mowers, Lawn & Garden Tractor
Seite 1
72102 (269-H) - Toro 269-H Lawn and Garden Tractor, 1997 (7900001-7999
BYPASS RETURN
BYPASS RETURN 72102 (269-H) - Toro 269-H Lawn and Garden Tractor, 1997 (7900001-7999999)
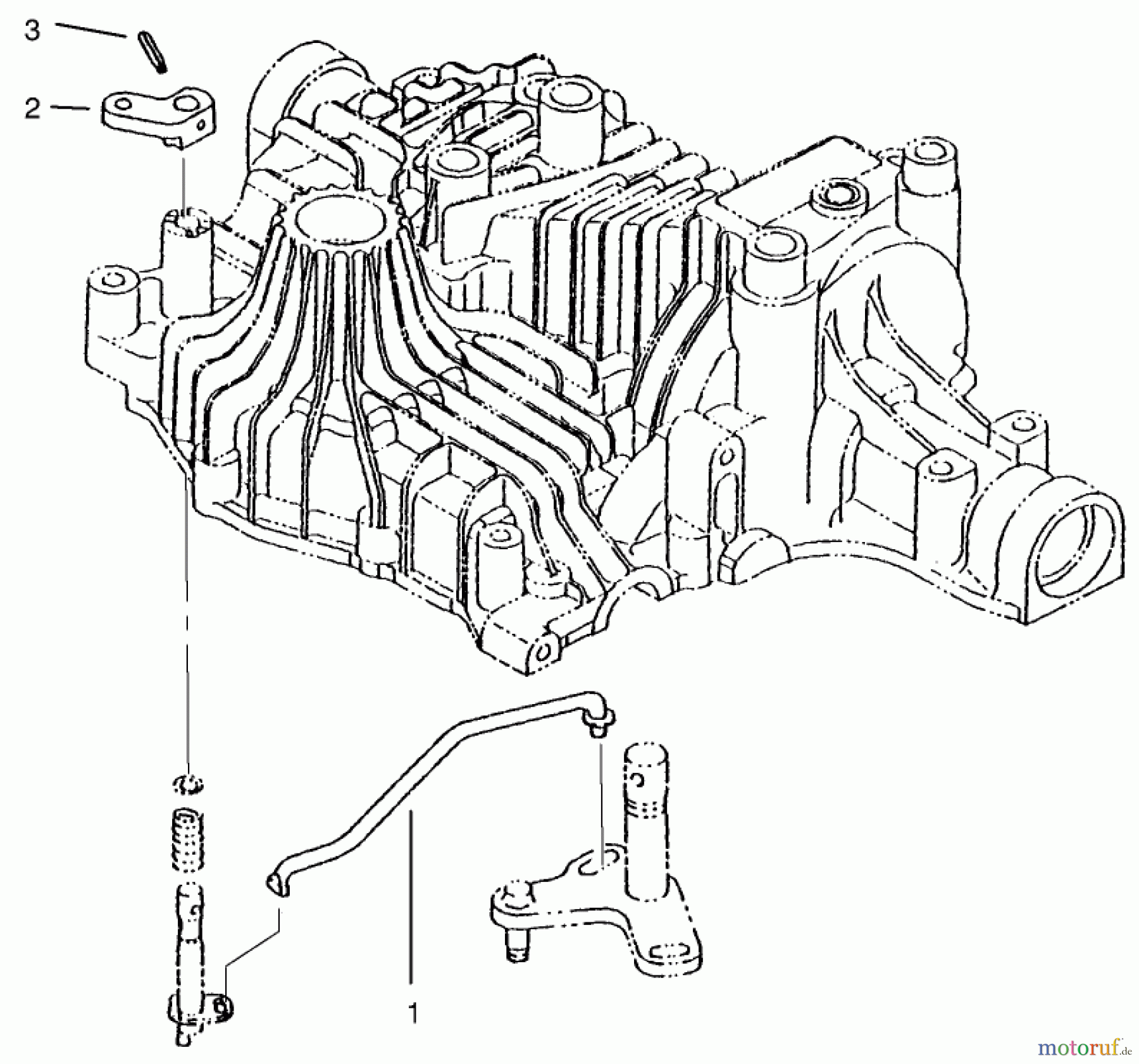
Posizione
Articolo numero
Descrizione
1
TR93-0401
ROD-BYPASS
2
TR93-0402
Ventilarm
3
TR93-0403
PIN-ROLL
Gestione della qualità
Aiutaci a migliorare il nostro sito. Informaci se trovi un errore.