.it
Carrello
vuoto
Il mio account
Registrati
Log in
Benvenuti
Contatti
Spedizione
L’azienda
Guest book
Condizioni e Privacy
Catalogare
Tagliare, profilare
Componenti per motore
Officine meccaniche
Parti e componentistica per macchine varie
Forestali
Articoli elettrici
Articoli invernali
Cinghie trapezoidali e relative pulegge
Filters
PEZZI DI RICAMBIO
Sprocket Rims
Guide Bars
Chainsaw Chains
Search by Part Number
Diagrammi ed elenchi
Servizio
Determine Chain
Ricerca
DE
EN
FR
ES
IT
Versione mobile
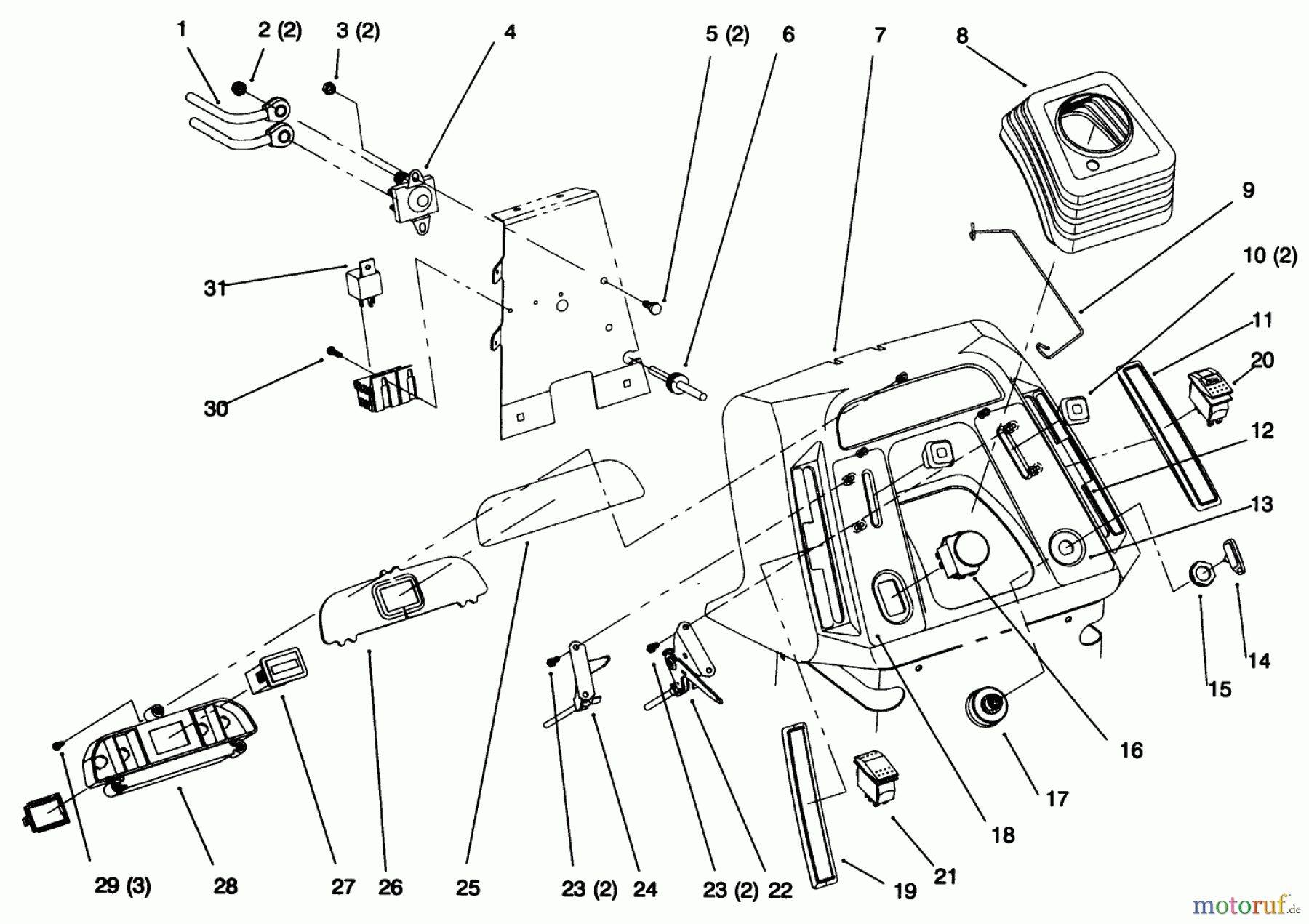
Toro 72046 (265-H) - 265-H Lawn and Garden Tractor, 1996 (6900001-6999999) DASH Ricambi
Start
Toro Neu
Mowers, Lawn & Garden Tractor
Seite 1
72046 (265-H) - Toro 265-H Lawn and Garden Tractor, 1996 (6900001-6999
DASH
DASH 72046 (265-H) - Toro 265-H Lawn and Garden Tractor, 1996 (6900001-6999999)
Posizione
Articolo numero
Descrizione
1
TR92-6989
WIRE-21 INCH
2
TR32149-2
Mutter
3
TR3296-42
Mutter
4
TR740207
Magnetschalter
5
TR321-4
Schraube
6
TR237-141
Gummibuchse
7
TR94-1894
Armaturenbrett
8
TR92-6680
BOOT-STEERING
9
TR94-2966
CLIP-BOOT
10
TR66-0120
KNOB
11
TR92-6796
COVER-SLOT, RH
13
TR92-6721
KLEBESCHILD
13
TR93-7255
DECAL-DASH
14
TR62-7770
ZUENDSCHLUESSEL
15
TR700919
NUT
16
TR93-9998
Schalter-Messerkuppl.
17
TR92-6785
Zuendschloss
18
TR926720
SCHRAUBE
18
TR93-7256
Klebeschild
19
TR92-6797
SEITENABDECKUNG
22
TR92-6782
Gaszug
23
TR32144-32
Schraube
24
TR92-6781
Chokzug
25
TR92-6975
KLEBESCHILD
25
TR94-1248
DECAL - DASH LENS
26
TR92-6705
LENS-DASH
27
TR94-4208
HOURMETER
28
TR92-6709
Lampenpaneele
28
TR92-6732
GEHAEUSE
29
TR32104-118
Schraube
30
TR32144-8
SCREW-PPHTF
31
TR116397
Schaltrelais
Gestione della qualità
Aiutaci a migliorare il nostro sito. Informaci se trovi un errore.