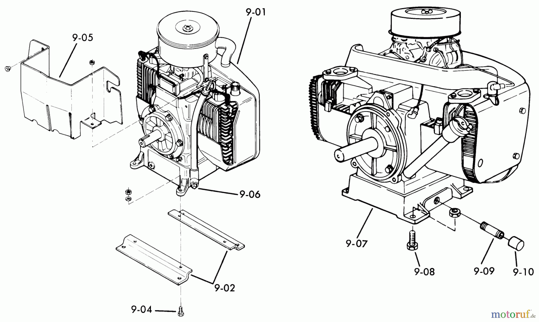
Toro 61-20KS02 (D-200) - D-200 Automatic Tractor, 1976 9.000 ENGINE Ricambi
9.000 ENGINE 61-20KS02 (D-200) - Toro D-200 Automatic Tractor, 1976

| Posizione | Articolo numero | Descrizione | |
| TR3253-21 | Federring | ||
| TR3296-23 | Mutter | ||
| TR943084 | DISCONTINUED | ||
| TR920008 | Scheibe | ||
| TR3217-6 | NUT-HEX | ||
| TR938018 | DISCONTINUED | ||
| TR915665 | 3296-23 | ||
| 9-01 | TR104990 | ||
| 9-02 | TR105023 | DISCONTINUED | |
| 9-03 | TR323-7 | Schraube | |
| 9-04 | TR325-4 | SCREW-HH | |
| 9-04 | TR920008 | Scheibe | |
| 9-05 | TR105024 | DISCONTINUED | |
| 9-06 | TR94-3021 | SCHALTARM | |
| 9-07 | TR103760 | ||
| 9-08 | TR325-6 | Schraube | |
| 9-08 | TR915665 | 3296-23 | |
| 9-09 | TR94-3355 | DECAL - DIAGN. 6500 (DUT) | |
| 9-10 | TR103162 | DISCONTINUED | |



