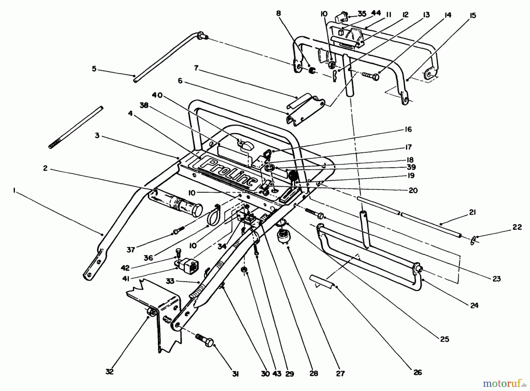
Toro 30165 - Mid-Size Proline Gear Traction Unit, 12.5 hp, 1992 (2000001-2999999) HANDLE ASSEMBLY Ricambi
HANDLE ASSEMBLY 30165 - Toro Mid-Size Proline Gear Traction Unit, 12.5 hp, 1992 (2000001-2999999)



Gestione della qualità
Aiutaci a migliorare il nostro sito. Informaci se trovi un errore.



