.it
Carrello
vuoto
Il mio account
Registrati
Log in
Benvenuti
Contatti
Spedizione
L’azienda
Guest book
Condizioni e Privacy
Catalogare
Tagliare, profilare
Componenti per motore
Officine meccaniche
Parti e componentistica per macchine varie
Forestali
Articoli elettrici
Articoli invernali
Cinghie trapezoidali e relative pulegge
Filters
PEZZI DI RICAMBIO
Sprocket Rims
Guide Bars
Chainsaw Chains
Search by Part Number
Diagrammi ed elenchi
Servizio
Determine Chain
Ricerca
DE
EN
FR
ES
IT
Versione mobile
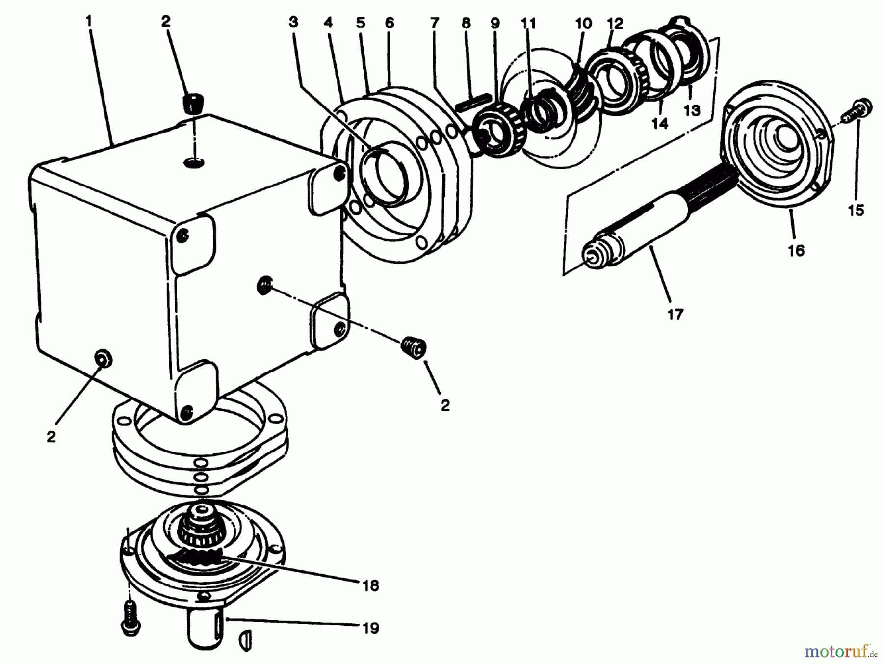
Toro 30575 - 72" Side Discharge Mower, 1993 (390001-399999) GEAR BOX ASSEMBLY NO. 68-6810 Ricambi
Start
Toro Neu
Mowers, Deck Assembly Only
30575 - Toro 72" Side Discharge Mower, 1993 (390001-399999)
GEAR BOX ASSEMBLY NO. 68-6810
GEAR BOX ASSEMBLY NO. 68-6810 30575 - Toro 72" Side Discharge Mower, 1993 (390001-399999)
Posizione
Articolo numero
Descrizione
1
TR68-7030
DISCONTINUED - SEE SB GEN#14-0
2
TR281-10
Oelablasschraube
3
TR254-67
LAGERSCHALE
4
TR62-3420
GASKET
5
TR62-3430
Dichtung
6
TR62-3440
Dichtung
7
TR32151-79
Seggerring
8
TR10-7070
Keil
9
TR254-68
CONE-BEARING, ROLLER
10
TR68-7080
SEE SB GEN#14-01
11
TR72-9370
SHIM
12
TR254-94
Lager
13
TR253-118
Simmerring
14
TR254-72
Lagerring
15
TR323-45
SCHRAUBE
16
TR62-3410
DISCONTINUED
17
TR68-7040
WELLE
18
TR68-7060
SEE SB GEN#14-01
19
TR68-7050
WELLE
Gestione della qualità
Aiutaci a migliorare il nostro sito. Informaci se trovi un errore.