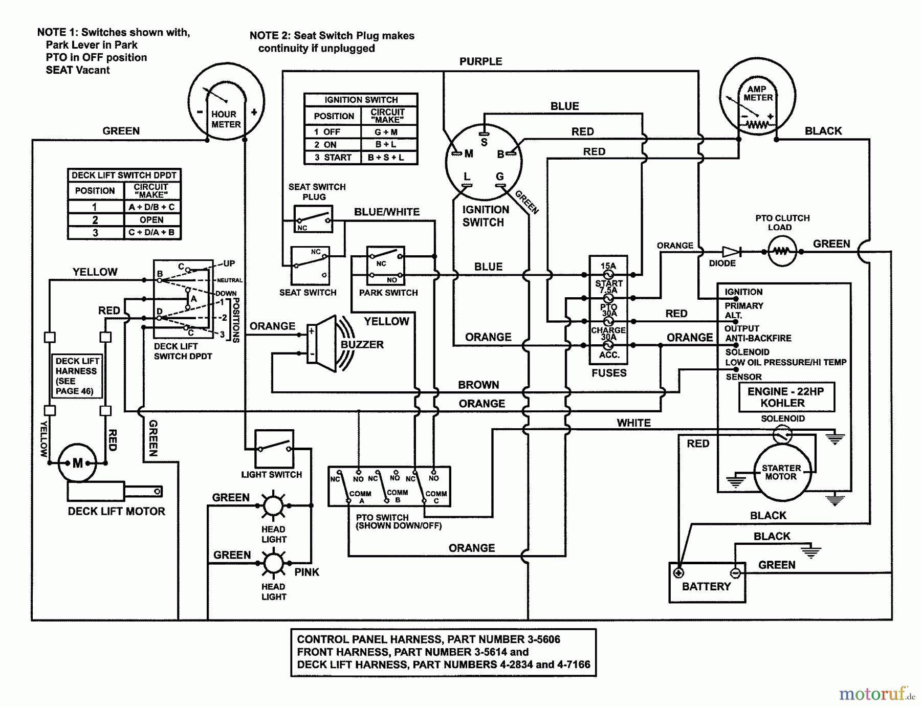
Snapper ZF2501KH (84574) - 25 HP Zero-Turn Mower, Out Front, Z-Rider Series 1 Wiring Schematic Ricambi
Wiring Schematic ZF2501KH (84574) - Snapper 25 HP Zero-Turn Mower, Out Front, Z-Rider Series 1

| Posizione | Articolo numero | Descrizione | |
| 35606 | BS7035606YP | (C) HARNESS, CONTROL | |
| 35614 | BS7035614 | ||
| 42834 | BS7042834YP | (C) HARNESS, DECK LIF | |
| 47166 | BS7047166YP | (C) WIRE HARNESS, DEC | |


Gestione della qualità
Aiutaci a migliorare il nostro sito. Informaci se trovi un errore.

