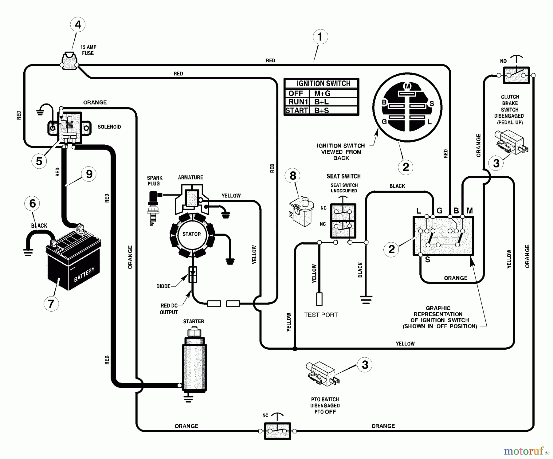
Murray 309000x8NA - Scotts 30" Mid-Engine Rider (2003) (Home Depot) Electrical System Ricambi
Electrical System 309000x8NA - Scotts 30" Mid-Engine Rider (2003) (Home Depot)



Gestione della qualità
Aiutaci a migliorare il nostro sito. Informaci se trovi un errore.

