.it
Benvenuti
Contatti
Spedizione
L’azienda
Guest book
Condizioni e Privacy
Catalogare
Tagliare, profilare
Componenti per motore
Officine meccaniche
Parti e componentistica per macchine varie
Forestali
Articoli elettrici
Articoli invernali
Cinghie trapezoidali e relative pulegge
Filters
PEZZI DI RICAMBIO
Sprocket Rims
Guide Bars
Chainsaw Chains
Search by Part Number
Diagrammi ed elenchi
Servizio
Determine Chain
Ricerca
Il mio account
Registrati
Log in
Settings
DE
EN
FR
ES
IT
Desktop
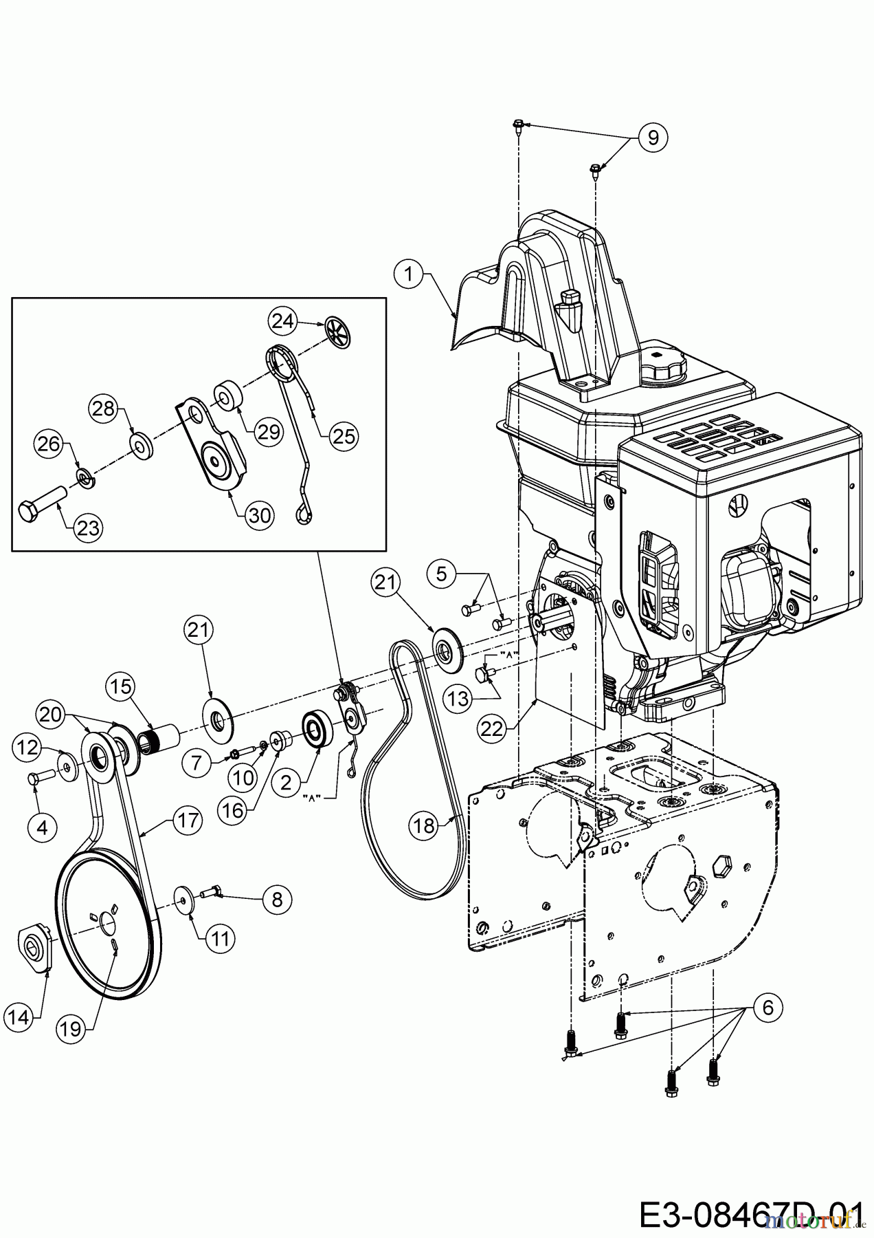
Cub Cadet XS3 76 TDE 31AY7EVZ603 (2022) Drive system, Milling drive Ricambi
Start
Cub Cadet
Snow throwers
XS3 76 TDE
31AY7EVZ603 (2022)
Drive system, Milling drive
Drive system, Milling drive 31AY7EVZ603 (2022)
Posizione
Articolo numero
Descrizione
1
631-05323
BELT CASE COVER
2
741-0919B
BRG:BALL:.787ID x 1.85 ODx.551
4
710-0191
HHCS:3/8-24:1.25:GR8:STD
5
710-0627
HHCS:5/16-24:0.75:GR5:LOCK
6
710-0654A
SCR:TT:SEMS:3/8-16:1.00:HXLWSH
7
710-0809
SCR:TT:1/4-20:1.25:HXINDWSH
8
710-1245B
HHCS:5/16-24:0.88:GR8:LOCK
9
710-1652
SCR:TT:1/4-20:0.62:HXINDWSH
10
736-0329
WASH:LOCK:1/4:SPLT:REG
11
736-0505
WASH:FLAT:0.339X1.505X0.149:HD
12
736-3082A
WASH:FLAT:0.445X1.510X0.175:HD
13
738-04439
SCR:SHLDR:.500X.145:5/16-24
14
748-04053
PULLEY, ADAPTER
15
750-04303
SPCR:.875 ID x 1.185 OD
16
750-04571
SPCR:SHLDR:.260 x .785 x .538
17
754-04195A
BELT:.500 X 37.00 LG
18
754-05019
BELT 3L X 36.64 LG
19
756-04109
PUL:AUGR:8.1 x.5 BELT
20
756-04113
PUL:HALF:4L-V x 2.600 OD
21
756-04114
PULLEY HALF
22
790-00332A
PLT:COVER:MTD 357
23
710-0672
HHCS:5/16-24:1.25:GR5:STD
24
726-04012
NUT:PUSH-ON:.25 DIA
25
732-04308C
TORSION SPRING
26
736-0119
WASHER:LOCK:5/16:SPLT:REG
28
748-04112B
SPCR:SHLDR:.3175ID x.500 x.097
29
750-04477A
SPCR:.340X.750X.330 LG
30
790-00208D
BRKT:IDLR
Gestione della qualità
Aiutaci a migliorare il nostro sito. Informaci se trovi un errore.