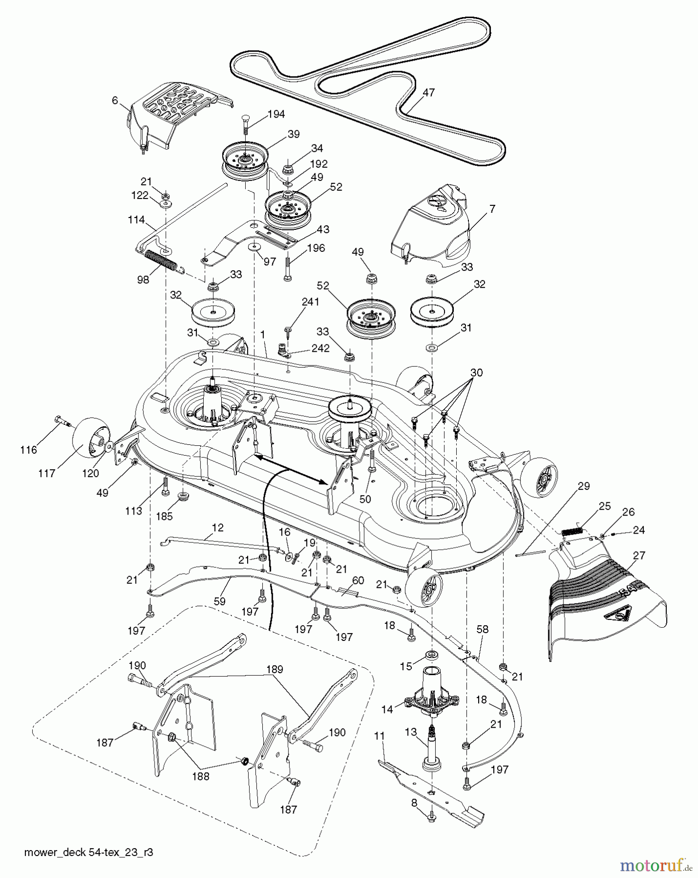
Husqvarna GTH 264T (96041025001) - Garden Tractor (2012-03 & After) MOWER DECK / CUTTING DECK Ricambi
MOWER DECK / CUTTING DECK GTH 264T (96041025001) - Husqvarna Garden Tractor (2012-03 & After)



Gestione della qualità
Aiutaci a migliorare il nostro sito. Informaci se trovi un errore.















