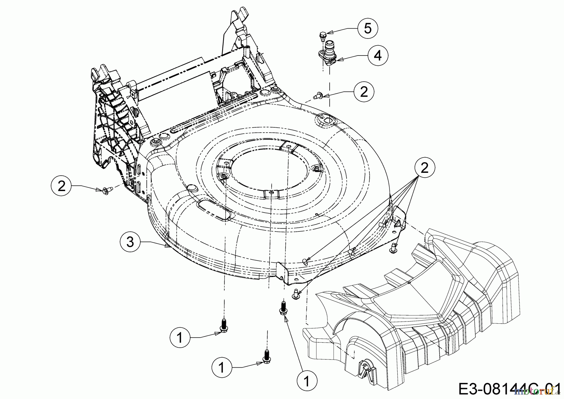
Cub Cadet LM1 CR46 12A-TQ5C603 (2018) Deck housing Ricambi
Deck housing 12A-TQ5C603 (2018)

| Posizione | Articolo numero | Descrizione | |
| 1 | ![]() | 710-04683C | SCR.TT:3/8-16:1.000:HEXINDWSH |
| 2 | ![]() | 710-05425A | SCREW:BOSSCREW:5/16-14:.750 |
| 3 | 787-03077A | ||
| 4 | 731-07487 | NOZ:DECK WSH | |
| 5 | ![]() | 738-04502 | SCR:SHLDR:0.348 X 0.183:TT |


Gestione della qualità
Aiutaci a migliorare il nostro sito. Informaci se trovi un errore.




