.it
Benvenuti
Contatti
Spedizione
L’azienda
Guest book
Condizioni e Privacy
Catalogare
Tagliare, profilare
Componenti per motore
Officine meccaniche
Parti e componentistica per macchine varie
Forestali
Articoli elettrici
Articoli invernali
Cinghie trapezoidali e relative pulegge
Filters
PEZZI DI RICAMBIO
Sprocket Rims
Guide Bars
Chainsaw Chains
Search by Part Number
Diagrammi ed elenchi
Servizio
Determine Chain
Ricerca
Il mio account
Registrati
Log in
Settings
DE
EN
FR
ES
IT
Desktop
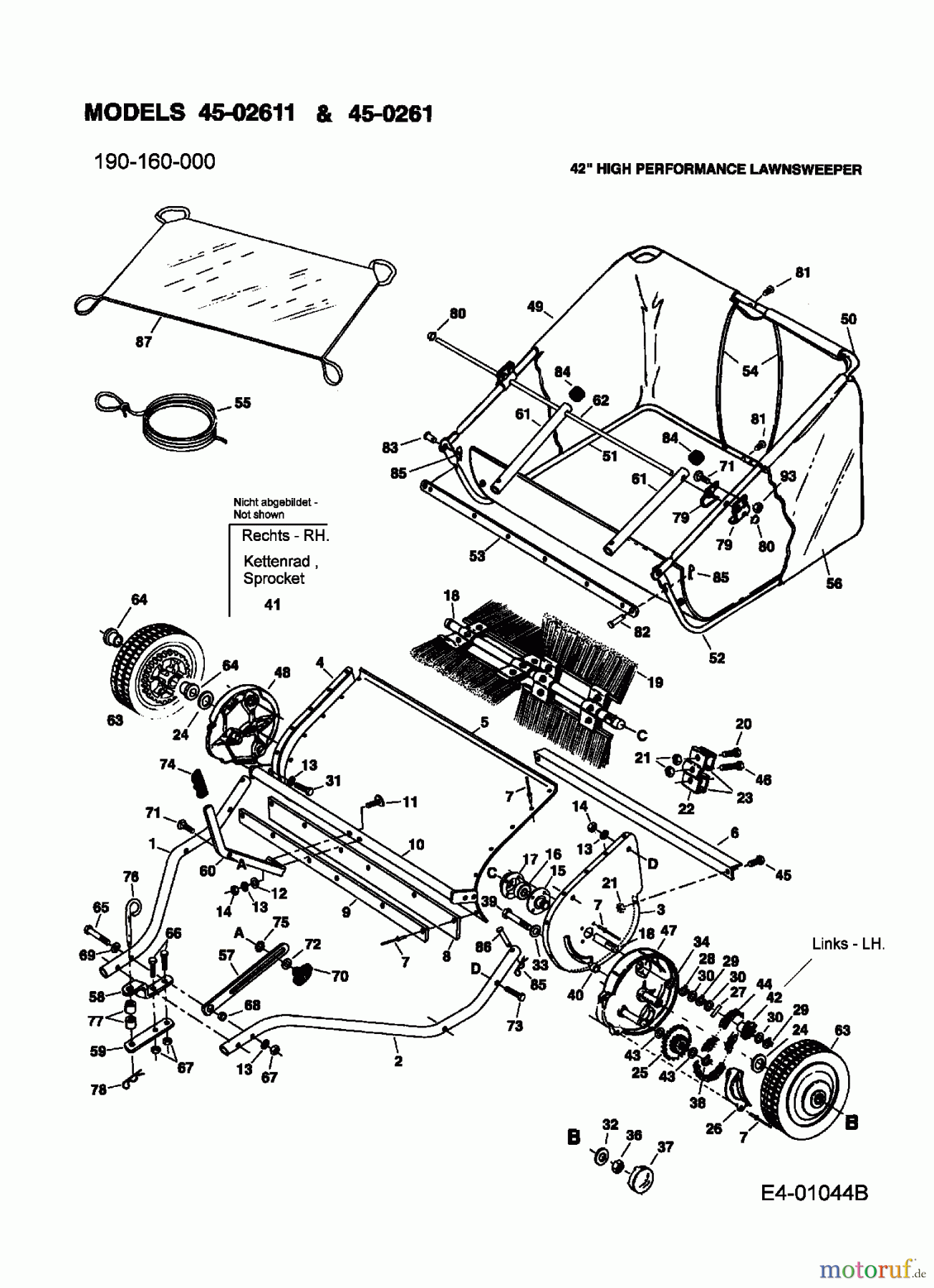
MTD Accessories Sweeper 45-02611 (190-160-000) 190-160-000 (2005) Basic machine Ricambi
Start
MTD Accessories
Accessories garden and lawn tractors
Sweeper
45-02611 (190-160-000)
190-160-000 (2005)
Basic machine
Basic machine 190-160-000 (2005)
Posizione
Articolo numero
Descrizione
1
AF-46776
LEG, RIGHT HAND
2
AF-46777
HITCH TUBE L.H.
3
AF-24195
PLAQUE
4
AF-24196
PLAQUE
5
AF-24184
COVER-HARD TOP
6
AF-24185
BRACE,REAR SUPPORT
7
AF-C9M-5732
RIVET
8
AF-46778
SKIRT,42"
9
AF-24186
RUBBER STRIP
10
AF-63468
HEIGHT ADJUSTEMENT TUBE ASSY
11
AF-44947
BOLT, CVD HD 5/16-18x1-5/8
12
AF-44695
WASHER, BOWED 1x.32x.06
13
AF-43086
LOCKWASHER,5/16 SPRING-TYPE PL
14
AF-43083
NUT, 5/16-18 PLTD
15
AF-62489
ASS`Y, BRUSH BUSHING WELDM
16
AF-44232
RETAINER-BALL
17
AF-1629-56
RETAINER-BRG
18
AF-24198
SHAFT, BRUSH - 42" HS
19
AF-46780
BRUSH, 26" SWEEPER 13-1/4"
20
710-0252
SCREW-HEX
21
712-0291
NUT:HEXLK:1/4-20:GRA:CTRLK
22
AF-23580
BRUSH RETAINER (DOUBLE)
23
AF-23581
BRUSH RETAINER (SINGLE)
24
AF-44008
WASHER FLAT
25
AF-62490
SPROCKET-GEAR SUB ASS`Y 38"
26
AF-23573
DUST COVER-38" SEARS
27
AF-47046
PIN DOWEL
28
AF-43655
RING, RETAINING 3/4" (5100-75)
29
AF-1650-21
RING, RETAINING .594 ID
30
AF-44007
W-PLAIN-S
31
AF-43182
BOLT,HX HD 5/16-18x3/4PLTD GR5
32
AF-141
WASHER
33
736-0692
WASH:FLAT:10,5 IDx20 OD DIN125
34
736-0287
WASH:FLAT:.793 x 1.24 x .06:HT
36
AF-1038
USE 712-0375
37
AF-2674-32
HUB CAP
38
AF-43894
RETAINER
39
AF-43932
USE 710-1043A
40
AF-23400
SPACER SHIFT KEY
41
AF-43890
SPROCKET-GEAR SUB ASS`Y 38"
42
AF-43889
SPROCKET-GEAR SUB ASS`Y 38"
43
AF-44137
WASHER
44
AF-44542
CHAIN, ROLLER 43x34P ENDLESS
45
AF-43175
BOLT,HX HD 1/4-20x1/2 GR5 PLTD
46
AF-43661
BOLT, HEX 1/4-20x1 GR 5
47
AF-62791
ASS`Y HOUSING WHEEL DRIVE L H
48
AF-62792
ASS`Y, HOUSING WHEEL DRIVE RH
49
AF-46734
FRAME, UPPER RIGHT
50
AF-46735
FRAME, UPPER LEFT
51
AF-46732
FRAME, LOWER RIGHT
52
AF-46733
FRAME, LOWER LEFT
53
AF-24189
FIXATION STRIP, OUTSIDE
54
AF-43938
ROD-DISENGAGEMENT
55
AF-43737
ROPE, HOPPER BLK 1/4"x10'(W/
56
AF-48398
GRASS BAG
57
AF-24191
STRAP,HEIGHT ADJUSTMENT
58
AF-23687
BRACKET, HITCH
59
AF-24192
BRACKET,HITCH(STRAIGHT)
60
AF-24193
HEIGHT ADJUSTING LEVER
61
AF-46781
TUBE,BAG ARM
62
AF-46823
ROD,HYDRO DISENGAGEMENT
63
AF-44985
ASS`Y, WHEEL & TITE COMPLETE
64
AF-45088
BEARING, WHEEL (38" SWEEP)
65
AF-46782
BOLT-Sternantrieb HD
66
AF-43224
BOLT-Sternantrieb HD
67
712-0158
NUT:HEXLK:5/16-18:GRA:CTRLK
68
AF-46847
SLEEVE
69
AF-R19111116
WASHER. 1.59x1.032x.060
70
AF-43720
KNOB, WING 5/16-18 (x-9966)
71
710-0451
BOLT:CRG:5/16-18:.750 GR1
72
AF-43081
WASHER, 5/16" STD WRT PLTD
73
AF-43084
SCREW,HEX CAP
74
AF-43943
GRIP HT. ADJ 32"/38"
75
AF-44732
WASHER, TOOTH LOOK 5/16" ID
76
9389
HITCH PIN
77
AF-23368
SPACER
78
AF-43343
PIN-COTTER
79
AF-23331
CLAMP, HOPPER MT
80
726-0100
CAP
81
AF-48402
PIN-LOCK
82
AF-48365
Bolt
83
AF-48366
Bolt
84
AF-44481
CAP, VINYL
85
AF-43055
PIN-COTTER
86
AF-46867
PIN, CLEVIS 1/4X1-3/4
87
AF-46739
WINDSCREEN 42"
Gestione della qualità
Aiutaci a migliorare il nostro sito. Informaci se trovi un errore.