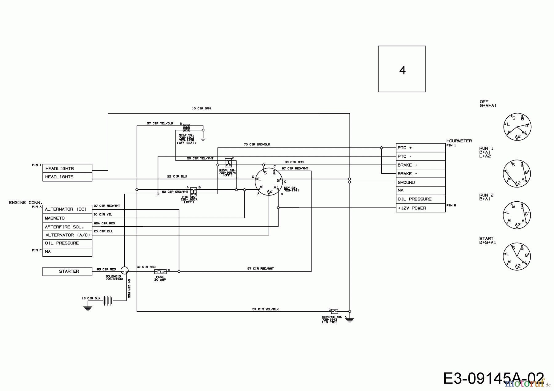
Bestgreen BG Pro 18107 HSBK 13HT79KG655 (2016) Wiring diagram Ricambi
Wiring diagram 13HT79KG655 (2016)

| Posizione | Articolo numero | Descrizione | |
| 4 | 725-05320B | HARN:ACDC:HL:4NRMC:SM | |


Gestione della qualità
Aiutaci a migliorare il nostro sito. Informaci se trovi un errore.

