Powerline Rasentraktor T20-102 HD II Ricambi
T20-102 HD II Rasentraktor
Articolo numero: 119150 01022009

| Posizione | Articolo numero | Descrizione | |
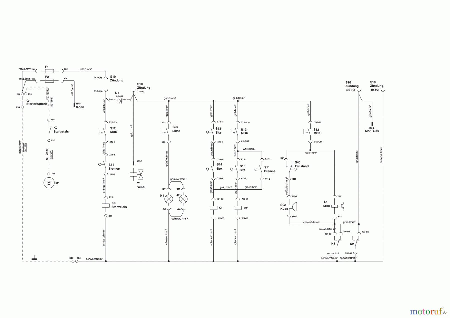
| AL521363 | KABEL ROT STARTER/RELAIS | ||
| AL521365 | KABEL BLAU MASSELEITER | ||
| AL521366 | KABEL ROT BATTERIE/RELAIS | ||


Gestione della qualità
Aiutaci a migliorare il nostro sito. Informaci se trovi un errore.

