Brill Crossover 102-15 H Ricambi
Crossover 102-15 H Rasentraktor
Articolo numero: 119362

| Posizione | Articolo numero | Descrizione | |
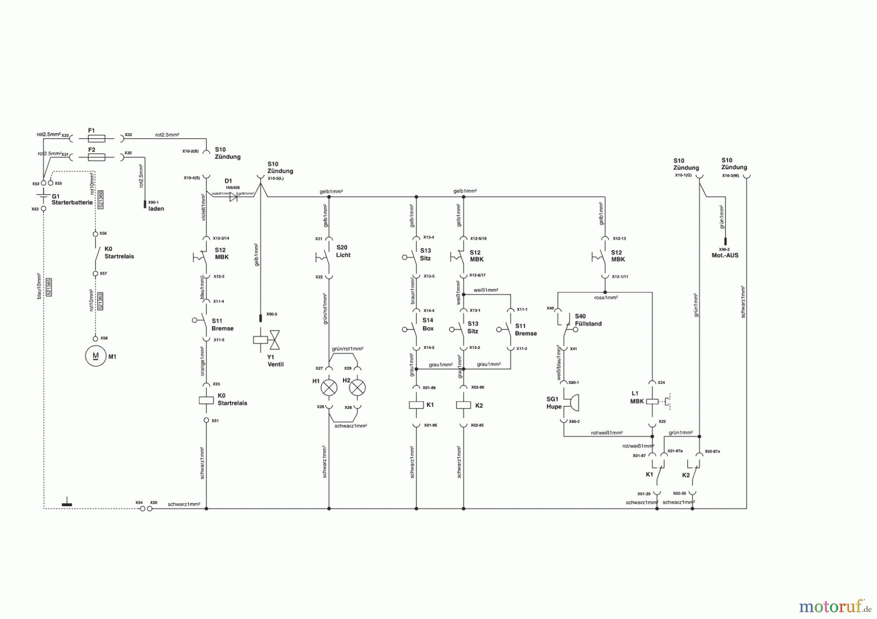
| AL521363 | KABEL ROT STARTER/RELAIS | ||
| AL521365 | KABEL BLAU MASSELEITER | ||
| AL521366 | KABEL ROT BATTERIE/RELAIS | ||


Gestione della qualità
Aiutaci a migliorare il nostro sito. Informaci se trovi un errore.

