.it
Carrello
vuoto
Il mio account
Registrati
Log in
Benvenuti
Contatti
Spedizione
L’azienda
Guest book
Condizioni e Privacy
Catalogare
Tagliare, profilare
Componenti per motore
Officine meccaniche
Parti e componentistica per macchine varie
Forestali
Articoli elettrici
Articoli invernali
Cinghie trapezoidali e relative pulegge
Filters
PEZZI DI RICAMBIO
Sprocket Rims
Guide Bars
Chainsaw Chains
Search by Part Number
Diagrammi ed elenchi
Servizio
Determine Chain
Ricerca
DE
EN
FR
ES
IT
Versione mobile
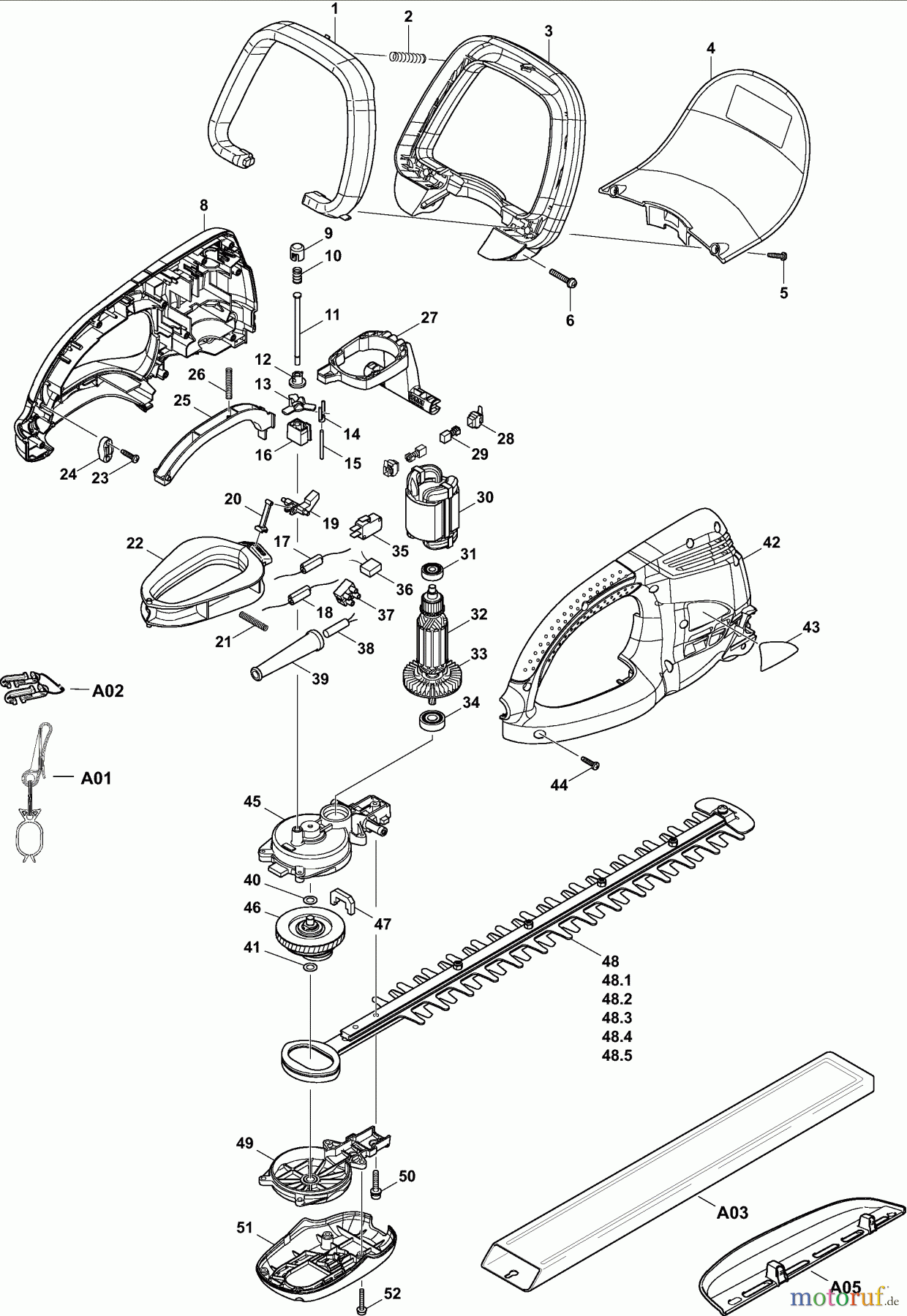
Dolmar Elektro HT345 1 HT-345 Ricambi
Start
Dolmar
Heckenscheren
Elektro
HT345
1 HT-345
1 HT-345 HT345
Posizione
Articolo numero
Descrizione
A02
158024-1
ZUGENTLASTUNG
A05
344194681
LEITBLECH SATZ
A01
660194678
KABELHALTER SET
A03
660450491
SCHERBLATTSCHUTZ
1
660450493
SCHALTHEBEL B
2
221145110
DRUCKFEDER
3
660450442
BÜGELGRIFF
4
158629-7
HANDSCHUTZ KPL.
5
265995-6
BLECHSCHRAUBE 4X18
6
660911253
FLACHKOPFSCHRAUBE M5X30
8
660188568
GEHÄUSE SATZ INC. 8, 42
9
223144030
KAPPE
10
233288-9
DRUCKFEDER
11
660268077
SCHALTSTANGE
12
223144040
KAPPENHALTER
13
223144150
SCHALTSTERN
14
223144170
STÖSSEL
15
660268237
STIFT 3
16
223144050
SCHALTFÜHRUNG
17
646206-2
DROSSELSPULE
18
646207-0
DROSSELSPULE
19
223144180
STÖSSELHEBEL
20
223144160
STÖSSELSTANGE
21
221145120
DRUCKFEDER
22
223144140
SCHALTHEBEL C
23
265995-6
BLECHSCHRAUBE 4X18
24
687063-9
ZUGENTLASTUNG GELB
25
660450443
SCHALTHEBEL A
26
221145120
DRUCKFEDER
27
660450488
SCHALTGABEL
28
643936-6
BÜRSTENHALTER
29
191962-4
KOHLEBüRSTE OHNE HALTER CB-419 (2 PCS/SET)
30
621733-0
STATOR KPL. 220-240V
31
211027-7
RILLENKUGELLAGER 627ZZ
32
660515738
ANKER 220-240V, INC. 31,33,34
33
241850-6
LÜFTERRAD
34
211062-5
RILLENKUGELLAGER 6000 2Z
35
660650628
SCHALTER 1005 1004
36
660645190
KONDENSATOR
37
970201220
REIHENLüSTERKLEMME
38
666246-4
ANSCHLUSSLEITUNG 1.5-2-0.3
39
660682503
KNICKSCHUTZ 8-90
40
253215-0
UNTERLAGSCHEIBE 8
41
253215-0
UNTERLAGSCHEIBE 8
42
660188568
GEHÄUSE SATZ INC. 8, 42
43
660865776
SCHILD HT-345
44
265995-6
BLECHSCHRAUBE 4X18
45
660158625
GETRIEBEGEHÄUSE KPL.
46
158623-9
GETRIEBE KPL.
47
443142-1
DICHTUNG
48.5
265181-9
SCHRAUBE M5X20
48
344194661
SCHERBLATT KPL. HT-345, 45CM
48.2
345205-8
STOSSSCHUTZ
48.4
660257766
HüLSE 5
48.1
660264013
6KT-MUTTER M5-8
48.3
911208-0
KOMBI-SCHRAUBE M5X10
49
660158626
GETRIEBEDECKEL
50
265182-7
FLACHKOPFSCHRAUBE M5X25
51
450440-6
GEHÄUSEABDECKUNG UNTEN
52
911546-0
KOMBI-SCHRAUBE M4X25
Gestione della qualità
Aiutaci a migliorare il nostro sito. Informaci se trovi un errore.