.it
Carrello
vuoto
Il mio account
Registrati
Log in
Benvenuti
Contatti
Spedizione
L’azienda
Guest book
Condizioni e Privacy
Catalogare
Tagliare, profilare
Componenti per motore
Officine meccaniche
Parti e componentistica per macchine varie
Forestali
Articoli elettrici
Articoli invernali
Cinghie trapezoidali e relative pulegge
Filters
PEZZI DI RICAMBIO
Sprocket Rims
Guide Bars
Chainsaw Chains
Search by Part Number
Diagrammi ed elenchi
Servizio
Determine Chain
Ricerca
DE
EN
FR
ES
IT
Versione mobile
Toro 57385 - 11 hp Front Engine Rider, 1980 (0000001-0999999) 36" SNOWTHROWER ATTACHMENT MODEL NO. 59136 #3 Ricambi
Start
Toro Neu
Mowers, Lawn & Garden Tractor
Seite 1
57385 - Toro 11 hp Front Engine Rider, 1980 (0000001-0999999)
36" SNOWTHROWER ATTACHMENT MODEL NO. 59136 #3
36" SNOWTHROWER ATTACHMENT MODEL NO. 59136 #3 57385 - Toro 11 hp Front Engine Rider, 1980 (0000001-0999999)
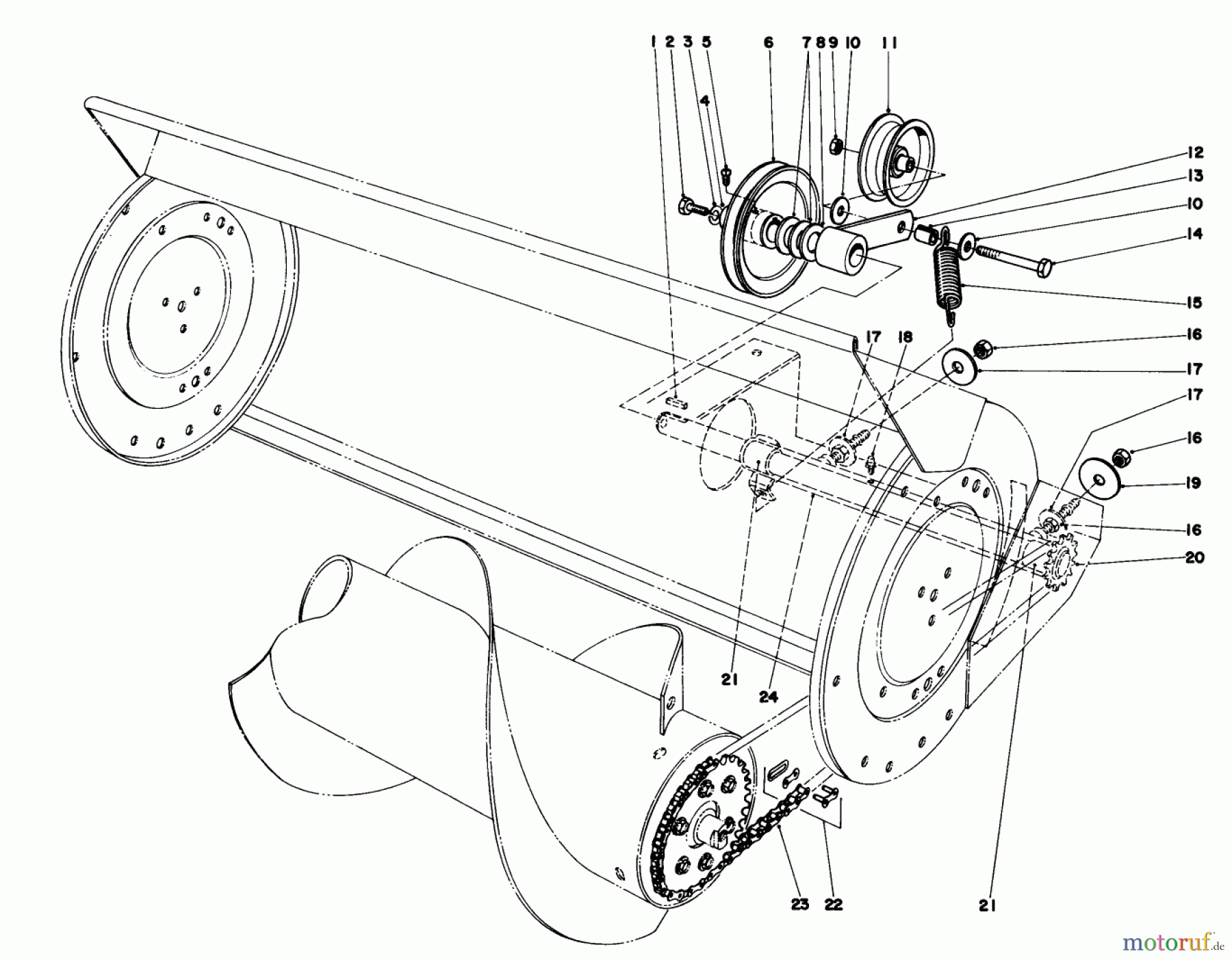
Posizione
Articolo numero
Descrizione
1
TR21-5070
Keil
2
TR323-4
Schraube
3
TR3253-21
Federring
4
TR3256-3
Scheibe
5
TR3242-2
Schraube
6
TR40-0860
DISCONTINUED
7
TR3-1000
DISCONTINUED
8
TR40-0740
DISCONTINUED
9
TR32152-2
NUT-LOCK, CONE
10
TR3256-4
WASHER-FLAT
11
TR40-1260
DISCONTINUED
12
TR40-0710
DISCONTINUED
13
TR40-0980
DISCONTINUED
14
TR3231-2
Schraube
15
TR40-0730
DISCONTINUED
16
TR3217-9
Mutter
17
TR3256-5
Scheibe
18
TR302-5
Schmiernippel
19
TR40-0720
DISCONTINUED
20
TR40-0770
SHAFT/SPROCKET ASM
21
TR40-0750
DISCONTINUED
22
TR2710-6
Kettenschloss
23
TR40-0700
DISCONTINUED
24
TR40-0760
DISCONTINUED
Gestione della qualità
Aiutaci a migliorare il nostro sito. Informaci se trovi un errore.