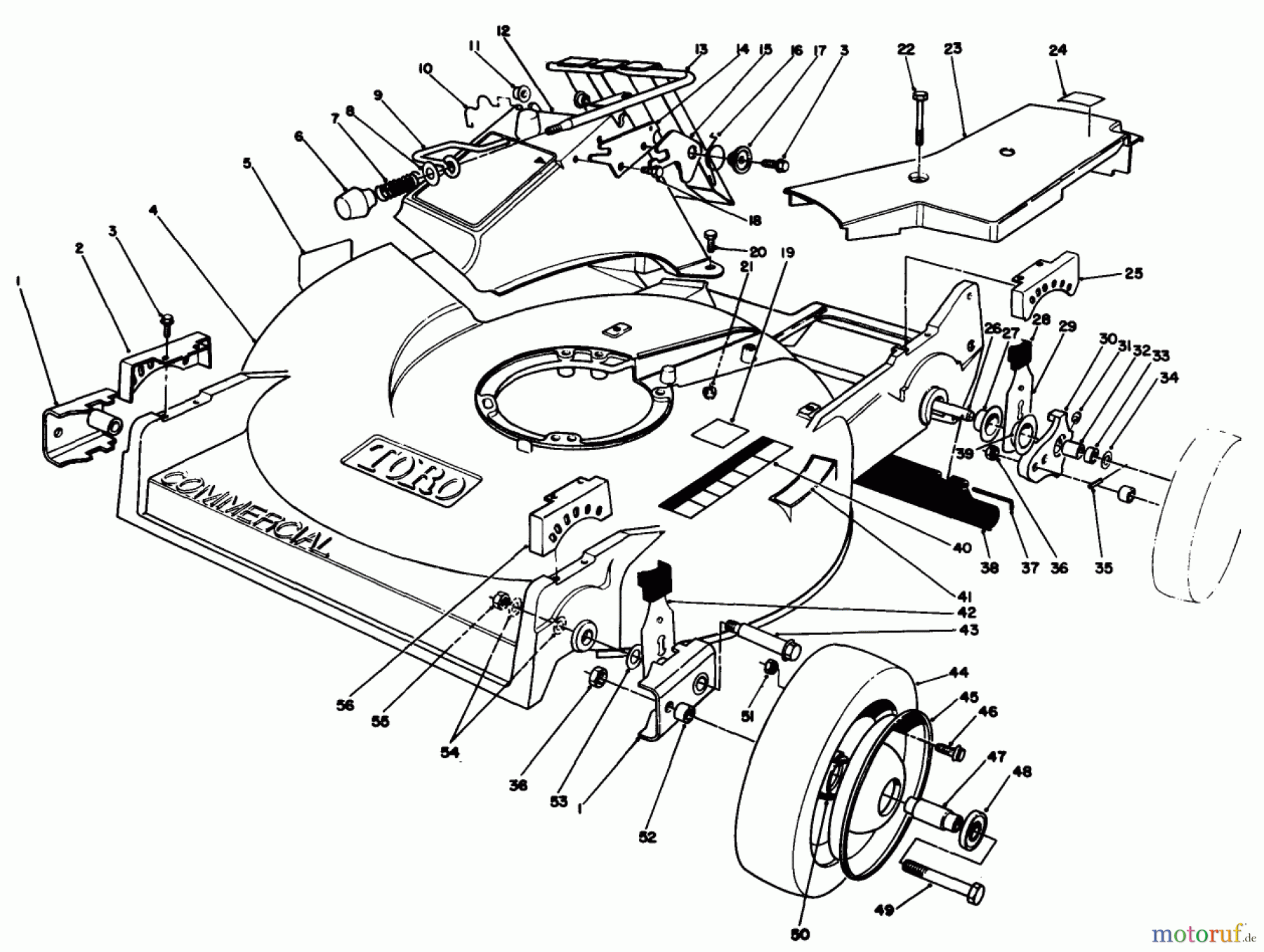
Toro 22035 - Lawnmower, 1989 (9000001-9006453) HOUSING ASSEMBLY (MODEL 22030) Ricambi
Schraube
Articolo numero:
TR37-7260
Posizione:
22
11.44 €
Tutti i prezzi includono l'IVA nell'UE, in più spedizione
Articolo aggiunto al carrello1
Verrà ordinato per te: tempo di consegna circa 5 giorni lavorativi.









