.it
Benvenuti
Contatti
Spedizione
L’azienda
Guest book
Condizioni e Privacy
Catalogare
Tagliare, profilare
Componenti per motore
Officine meccaniche
Parti e componentistica per macchine varie
Forestali
Articoli elettrici
Articoli invernali
Cinghie trapezoidali e relative pulegge
Filters
PEZZI DI RICAMBIO
Sprocket Rims
Guide Bars
Chainsaw Chains
Search by Part Number
Diagrammi ed elenchi
Servizio
Determine Chain
Ricerca
Il mio account
Registrati
Log in
Settings
DE
EN
FR
ES
IT
Desktop
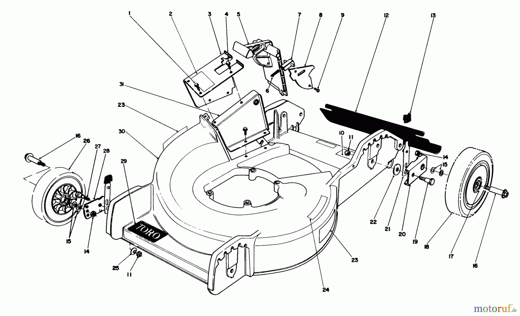
Toro 20780C - Lawnmower, 1989 (9000001-9999999) HOUSING ASSEMBLY Ricambi
Start
Toro Neu
Mowers, Walk-Behind
Seite 1
20780C - Toro Lawnmower, 1989 (9000001-9999999)
HOUSING ASSEMBLY
DISCONTINUED
Articolo numero:
TR47-2941
Posizione:
20
non più disponibile
Posizione
Articolo numero
Descrizione
1
TR12-3270
Schraube
2
TR62-4060
Schild
3
TR13-2149
DISCONTINUED
4
TR12-5450
Schraube
5
TR33-0412
Auswurfklappe
6
TR33-0450
Feder
7
TR47-5551
Verschluss
8
TR33-0441
DOOR COVER
9
TR32144-32
Schraube
10
TR66-1700
DISCONTINUED
11
TR3296-29
Mutter
12
TR33-2380
Schleppschild
13
TR25-7740
Hebelknopf
14
TR32153-11
Mutter
15
TR40-1940
Scheibe
16
TR27-6230
BOLT-WHEEL
17
TR27-6250
Buchse
18
TR51-2751
Rad
19
TR44-5271
Bolzen
20
TR47-2941
DISCONTINUED
21
TR25-8000
Hoeheneinstellhebel
22
TR33-0390
Scheibe
23
TR93-6667
DECAL-WARNING
24
TR62-3950
Schild
25
TR3290-456
Tellerscheibe
26
TR46-1113
Rad
27
TR3-0655
Schraube
28
TR33-0400
Radaufhaengung
29
TR71-0600
Toro-Klebeschild
30
TR12-1089
HSG & CARTON
31
TR49-8030-01
DISCONTINUED
Gestione della qualità
Aiutaci a migliorare il nostro sito. Informaci se trovi un errore.