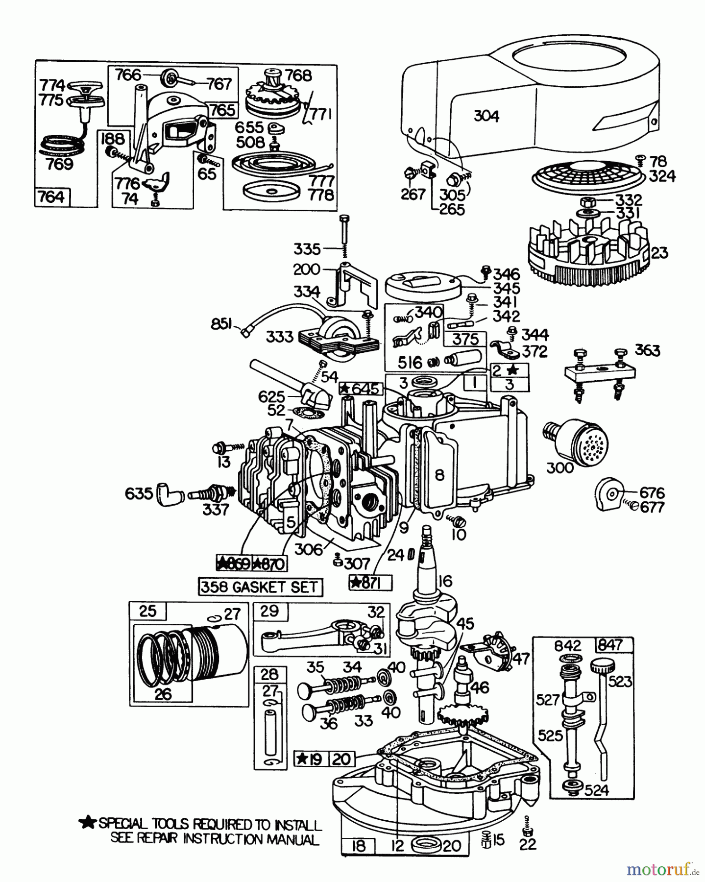
Toro 20735 - Lawnmower, 1979 (9000001-9999999) ENGINE BRIGGS & STRATTON MODEL NO. 110908-0380-03 Ricambi
ZUENDKERZENKAPPE
Articolo numero:
BS66538S
Posizione:
635
6.86 €
Tutti i prezzi includono l'IVA nell'UE, in più spedizione
Articolo aggiunto al carrello1
Verrà ordinato per te: tempo di consegna circa 5 giorni lavorativi.


Gestione della qualità
Aiutaci a migliorare il nostro sito. Informaci se trovi un errore.






