.it
Benvenuti
Contatti
Spedizione
L’azienda
Guest book
Condizioni e Privacy
Catalogare
Tagliare, profilare
Componenti per motore
Officine meccaniche
Parti e componentistica per macchine varie
Forestali
Articoli elettrici
Articoli invernali
Cinghie trapezoidali e relative pulegge
Filters
PEZZI DI RICAMBIO
Sprocket Rims
Guide Bars
Chainsaw Chains
Search by Part Number
Diagrammi ed elenchi
Servizio
Determine Chain
Ricerca
Il mio account
Registrati
Log in
Settings
DE
EN
FR
ES
IT
Desktop
Tanaka HTD-2526PF - 26" Hedge Trimmer Carburetor, Fuel Tank, Fuel System Ricambi
Start
Tanaka
Heckenscheeren
HTD-2526PF - Tanaka 26" Hedge Trimmer
Carburetor, Fuel Tank, Fuel System
Benzinfilter 675-04042-80
Articolo numero:
668-4620
Posizione:
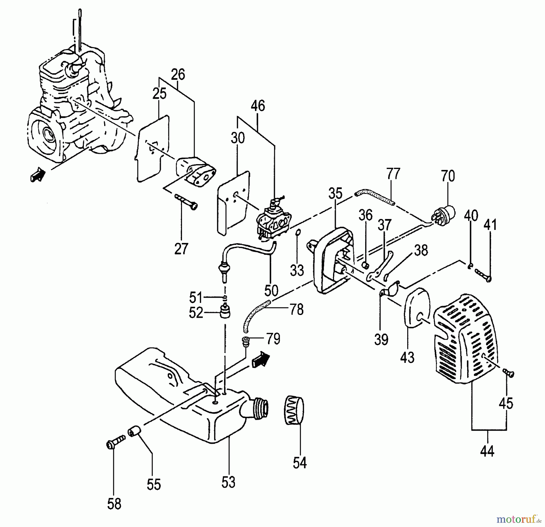
52
non più disponibile
Posizione
Articolo numero
Descrizione
25
668-9874
Hitzeschild HTS
26
668-9937
Vergaser
27
669-5515
Schraube 5x25WS
30
668-9828
Vergaserdichtung HTS
33
669-5670
O-Ring TPS200/2510,TBC4500,
35
669-0119
Luftfiltergehaeuse THT2530/
36
669-0804
Klemmring TBC2211/2251,
37
669-1261
Chokeventil
38
668-4658
Scheibe siehe TB
39
669-0843
Halter fuer Luftfilter siehe
40
668-4662
Sicherungsring 992-10050-012
41
668-4660
Schraube TBC300SDH,TBC420/
43
669-0364
Luftfilterelement 446-06500-21
44
669-0415
Luftfilterabdeckung
45
668-9737
Spezialschraube TBC300SDH,
46
669-0461
Vergaser HTS2530PF
50
668-8174
Benzinschlauch R130171-,
51
668-4619
Clip 680-00731-20
52
668-4620
Benzinfilter 675-04042-80
53
6691518
53
6691515
54
669-1748
Tankdeckel Benzin
55
669-2244
Klemmring P219451-, siehe TB
58
669-5505
Schraube TBC2211,TBC4500,siehe
61
668-4628
Clip
70
668-5139
Primer 442-25143-80
77
669-2353
Benzinschlauch
78
700-02504-07
Benzinschlauch THT 2520/B
79
668-4627
Tuelle 534-32710-20
Gestione della qualità
Aiutaci a migliorare il nostro sito. Informaci se trovi un errore.