.it
Benvenuti
Contatti
Spedizione
L’azienda
Guest book
Condizioni e Privacy
Catalogare
Tagliare, profilare
Componenti per motore
Officine meccaniche
Parti e componentistica per macchine varie
Forestali
Articoli elettrici
Articoli invernali
Cinghie trapezoidali e relative pulegge
Filters
PEZZI DI RICAMBIO
Sprocket Rims
Guide Bars
Chainsaw Chains
Search by Part Number
Diagrammi ed elenchi
Servizio
Determine Chain
Ricerca
Il mio account
Registrati
Log in
Settings
DE
EN
FR
ES
IT
Desktop
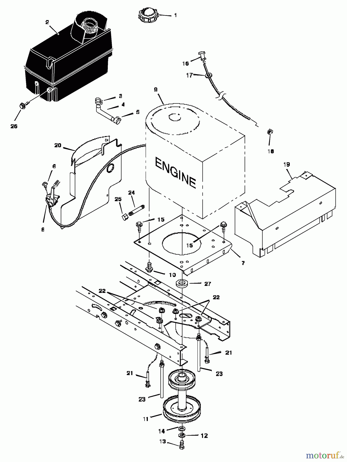
Murray 48560x92A - B&S/ 48" Lawn Tractor (1997) (Walmart) Engine Mount Ricambi
Start
Murray
Rasen- und Gartentraktoren
48560x92A - B&S/Murray 48" Lawn Tractor (1997) (Walmart)
Engine Mount
Articolo numero:
BS091174
Posizione:
5
non più disponibile
Posizione
Articolo numero
Descrizione
1
BS092317MA
BENZINDECKEL
2
BS7601093MA
FUEL KIT 2.8
3
BS091174
4
BS023717
5
BS091174
6
BS26X201MA
SCREW Z/BL CHROMATE
7
BS094006E701MA
PLATE, ENGINE
8
BS093165MA
THROTTLE CONTROL
9
BS
Eingangswelle UE 600
10
BS0025X7MA
MOTORBOLZEN 3/8 X 1.25
11
BS690441MA
02 STK PULLEY
12
BS019X35MA
WASHER.43-0.74 X.04 S
13
BS01X140MA
SECHSKANTBOLZEN.43-20X1.50 Z
14
BS17X170MA
WASHER.46.97.25 FLAT
15
BS26X249MA
SCREW-.312-18X.75
16
BS776113MA
CHOKEREGELUNG W/ATT.
17
BS0019X8MA
STERNUNTERLEGSCHEIBE .38 0.68X
18
BS015X33MA
NUT .38-24 LIGHT SF Z
19
BS93188E701
20
BS093078E701
21
BS93349 Z
22
BS015X79MA
NUT.31-18 FLANGELOCK
23
BS094066MA
FUHRUNGSSCHRAUBE
24
BS092279MA
OLABLASSROHR
25
BS021651ZMA
PIPE CAP
26
BS26X253MA
SCREW-THREAD FORMING
27
BS093077MA
SPACER -ENGINE
Gestione della qualità
Aiutaci a migliorare il nostro sito. Informaci se trovi un errore.