.it
Carrello
vuoto
Il mio account
Registrati
Log in
Benvenuti
Contatti
Spedizione
L’azienda
Guest book
Condizioni e Privacy
Catalogare
Tagliare, profilare
Componenti per motore
Officine meccaniche
Parti e componentistica per macchine varie
Forestali
Articoli elettrici
Articoli invernali
Cinghie trapezoidali e relative pulegge
Filters
PEZZI DI RICAMBIO
Sprocket Rims
Guide Bars
Chainsaw Chains
Search by Part Number
Diagrammi ed elenchi
Servizio
Determine Chain
Ricerca
DE
EN
FR
ES
IT
Versione mobile
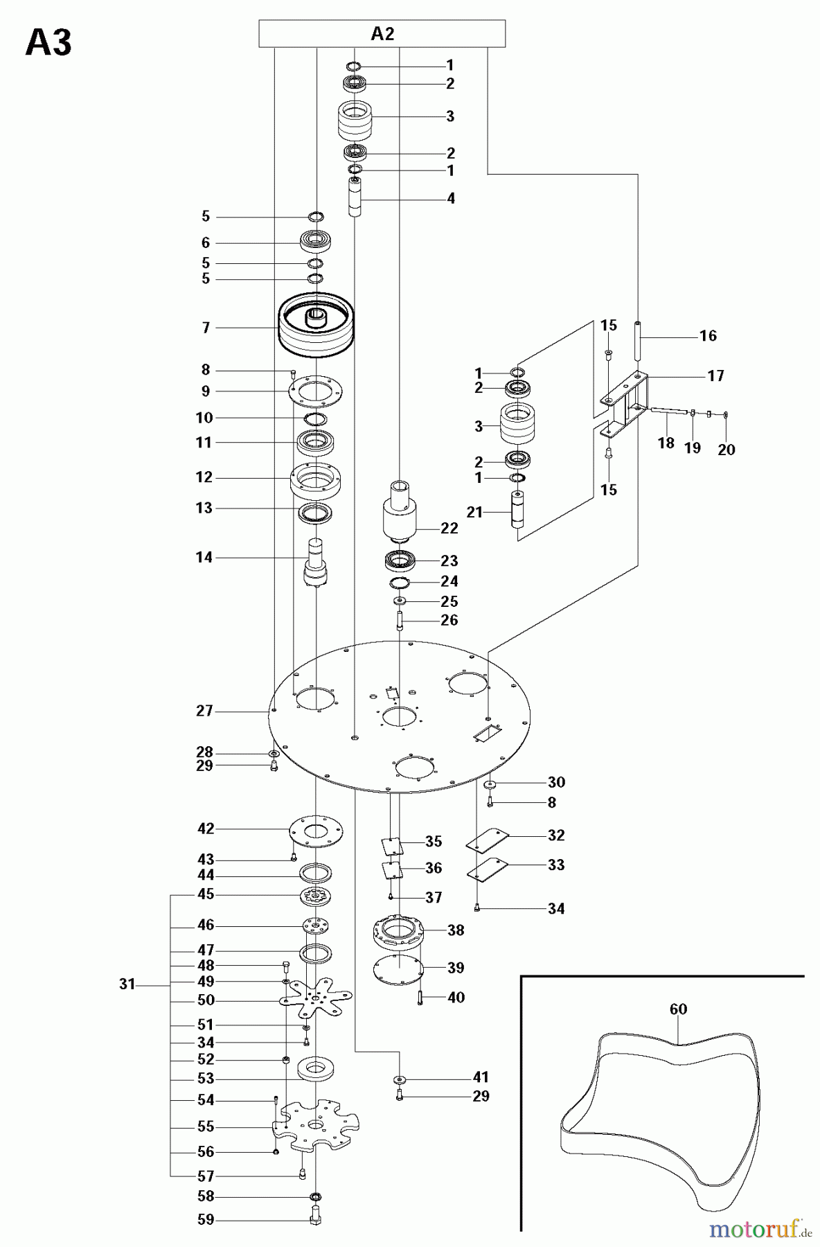
Oberflächenvorbereitungs Einheiten GRINDING HEAD 3 Ricambi
Start
Oberflächenvorbereitungs Einheiten
PG 820, To machine number 1108-8, 2008-09
GRINDING HEAD 3
Articolo numero:
504 72 86-01
Posizione:
30
non più disponibile
Posizione
Articolo numero
Descrizione
1
502 53 92-01
RING
2
502 53 91-01
LAGER
3
502 53 68-01
RIEMENSCHEIBE
4
502 53 67-01
RIEMENSCHEIBE
5
502 53 94-01
SPRENGRING
6
502 53 93-01
LAGER
7
502 53 64-01
RIEMENSCHEIBE
8
725 24 51-76
SCHRAUBE M8x20 Hex FT 10.9
9
502 53 77-01
PLATTE
10
502 53 96-01
LAGER
11
502 53 95-01
LAGER
12
502 53 70-01
LAGERGEHAEUSE
13
502 53 97-01
LAGER
14
502 53 66-01
RIEMENSCHEIBEWELLE
15
725 64 93-01
16
516 05 81-01
RAHMEN
17
502 53 82-01
RAHMEN
18
516 05 82-01
19
731 23 20-01
MUTTER
20
734 11 72-01
Scheibe 3/8
21
502 53 69-01
ACHSE
22
502 53 65-01
RIEMENSCHEIBE
23
502 53 87-01
LAGER
24
502 53 88-01
LAGER
25
504 72 63-03
DECKEL
26
504 74 88-01
BOLZEN
27
502 53 75-01
PLATTE
28
734 11 78-01
SCHEIBE
29
725 25 32-71
SCHRAUBE
30
504 72 86-01
31
502 53 40-01
SCHLEIFKOPF KPL.
32
516 05 84-01
DICHTUNG
33
504 72 78-01
PLATTE
34
725 24 49-76
35
516 05 85-01
DICHTUNG
36
504 72 79-01
ABSTANDSSTUECK
37
725 23 66-71
SCHRAUBE
38
502 53 73-01
LAGERGEHAEUSE
39
502 53 78-01
PLATTE
40
725 24 60-51
SCHRAUBE
41
504 72 95-01
SCHEIBE
42
504 72 80-01
DICHTUNG
43
725 24 53-76
SCHRAUBE M8-1.25X25
44
502 53 98-01
DICHTUNGSRING
45
502 53 40-06
FEDER
46
502 53 40-04
FEDER
47
502 53 40-05
FEDERRING SCHWARZ
48
725 24 93-76
SCHRAUBE
49
734 11 72-01
Scheibe 3/8
50
504 74 89-01
BOLZEN
51
502 53 42-01
SCHLEIFKOPF - FEDERPLATTE
52
734 11 63-01
SCHEIBE
53
502 53 40-14
STAHLFEDER
54
502 53 43-01
SILIKONRING PG820/680
55
725 53 70-51
SCHRAUBE
56
502 53 40-02
SCHLEIFKOPFPLATTE
57
502 53 44-01
HALTEBOLZEN
58
502 54 23-01
KRAFTBAND
59
504 74 84-01
BEFESTIGUNG
60
504 74 96-03
SCHEIBE