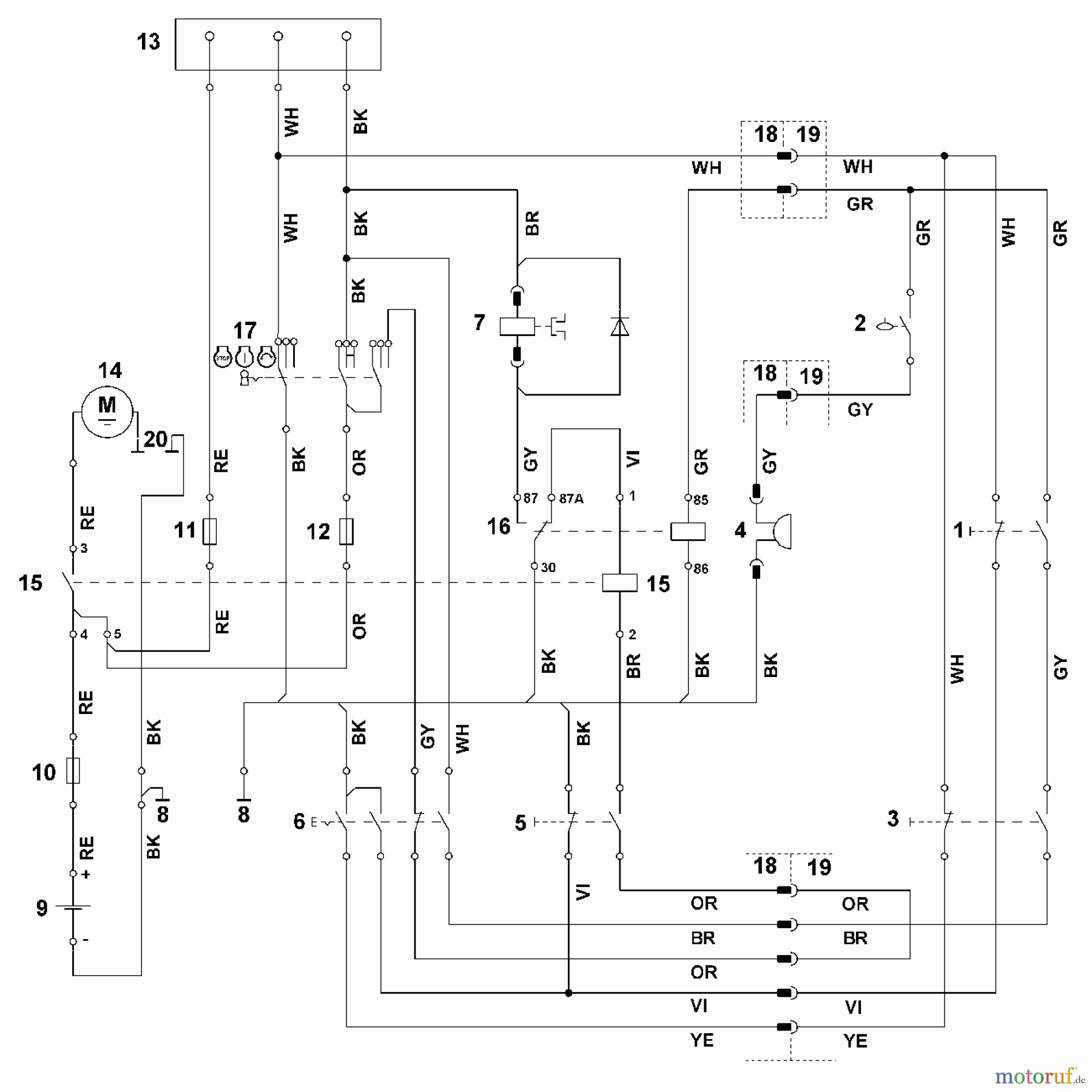
Viking Rasentraktoren MR 4082.0 O - Schaltplan Ricambi
Messerkupplung
Articolo numero:
Posizione:
7
non più disponibile
Unser Tipp!
Baugleiche Geräte anderer Hersteller ermitteln
Viking Traktoren wurden oft von Fremdfirmen hergestellt. Von Viking nicht mehr lieferbare Artikel sind daher oft noch über den Hersteller erhältlich.
Wenn Sie bei einem Artikel keinen Angabe zum Preis finden, starten Sie eine kostenlose Rechercheanfrage an unsere Experten. Gerne können Sie uns auch einfach eine E-Mail senden.

| Posizione | Articolo numero | Descrizione | |
| 1 | Schalter Sitz | ||
| 2 | Mikroschalter Füllstandssensor | ||
| 3 | Schalter Grasfangkorb | ||
| 4 | Warnsignal Füllstandssensor | ||
| 5 | Schalter Bremse | ||
| 6 | Schalter Messerkupplung | ||
| 7 | Messerkupplung | ||
| 8 | Masse Rahmen | ||
| 9 | Batterie | ||
| 10 | Hauptsicherung 150A | ||
| 11 | Sicherung 10A | ||
| 12 | Sicherung 10A | ||
| 13 | Motor | ||
| 14 | Anlasser | ||
| 15 | Anlasser-Relais | ||
| 16 | Relais | ||
| 17 | Schlüsselschalter | ||
| 18 | Stecker (Hauptkabelbaum) | ||
| 19 | Stecker (Kabelbaum Rückwand) | ||
| 20 | Masse Motorverschraubung | ||


Gestione della qualità
Aiutaci a migliorare il nostro sito. Informaci se trovi un errore.

