BLACK+DECKER TRAPANI, TRAPANO A COLONNA, MASCHIATORI KEYLESS CHUCK-AUSTRALIA 1167-AU Ricambi
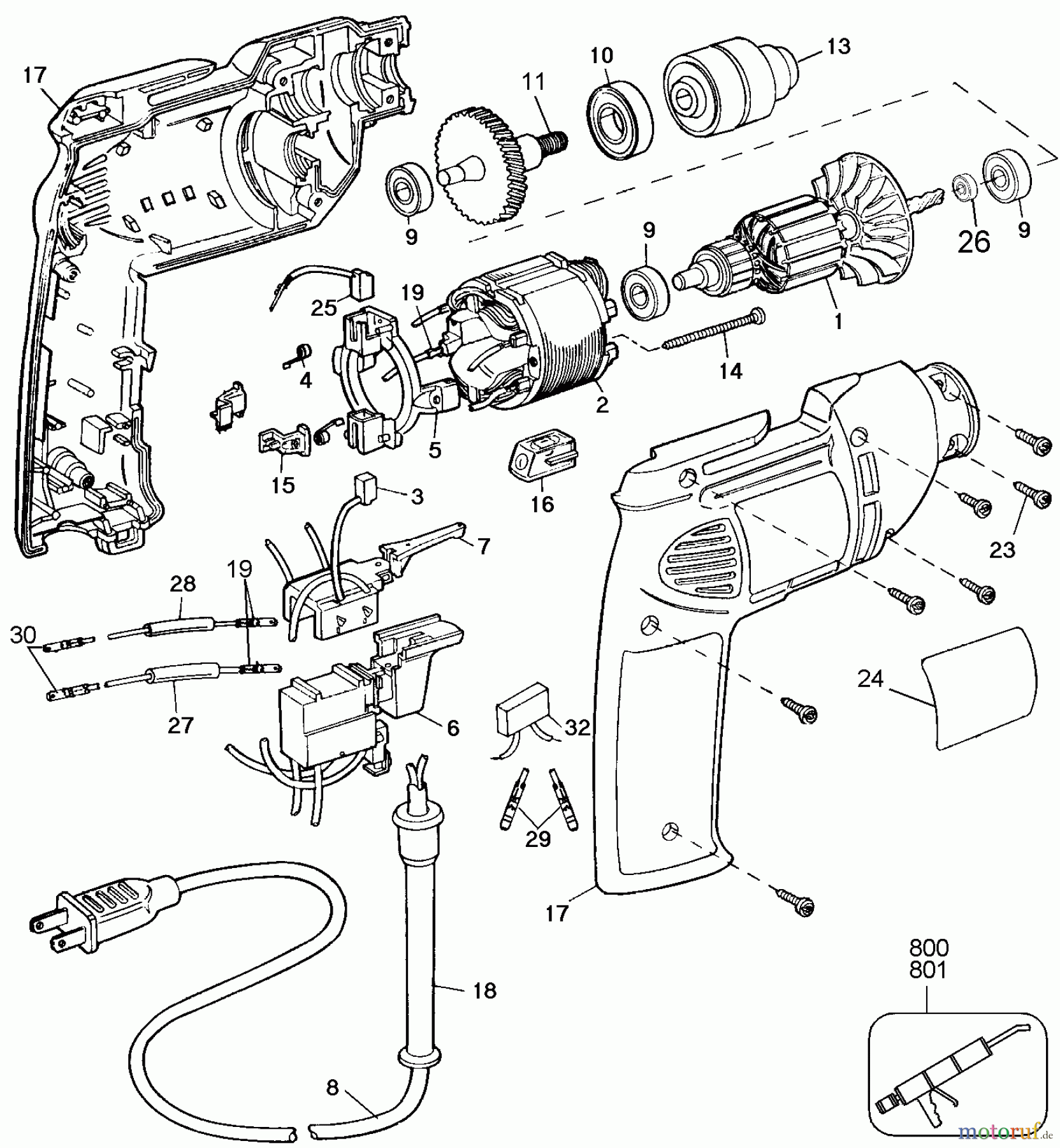
STATORE
Articolo numero:
SB-429882-15
Posizione:
2
non più disponibile



Gestione della qualità
Aiutaci a migliorare il nostro sito. Informaci se trovi un errore.

