Cub Cadet XZ7 L152I ULTIMA 47ATAHA8603 (2022) Choke- and throttle control, Engine accessories Ricambi
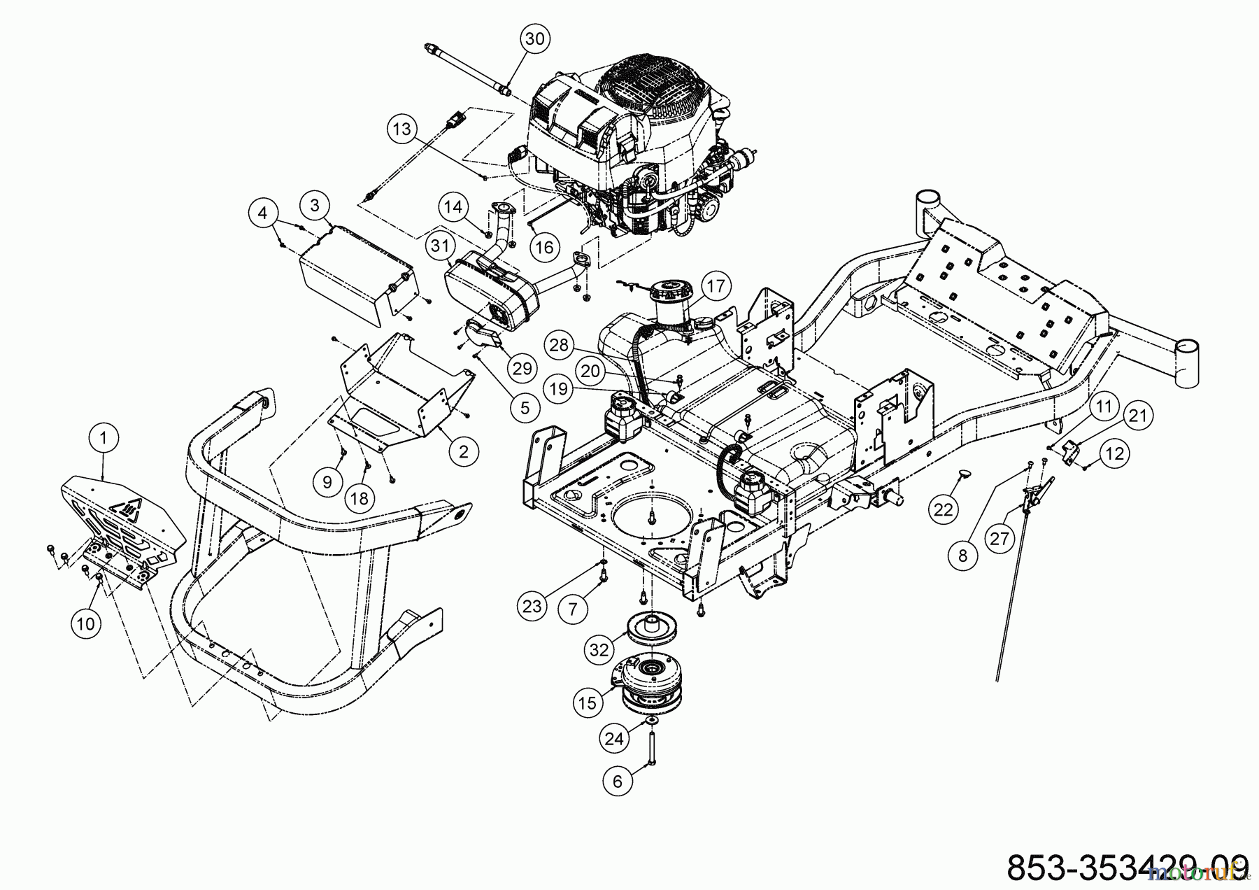
SCR.TT:3/8-16:1.000:HEXINDWSH
Nota: Questo articolo è4 volte installato nel dispositivo, il prezzo è per pezzo!
Articolo numero:
710-04683C
Posizione:
7
Modell Year:
XZ7 L152I ULTIMA / 2202
2.50 €
Tutti i prezzi includono l'IVA nell'UE, in più spedizione
Articolo aggiunto al carrello1
in magazzino


Gestione della qualità
Aiutaci a migliorare il nostro sito. Informaci se trovi un errore.







