Wolf-Garten Expert 92.155 H 13HM99WE650 (2016) Deck engagement, Engine pulley Ricambi
WASH:FLAT:0.380 x0.630 x0.033
Articolo numero:
736-0117
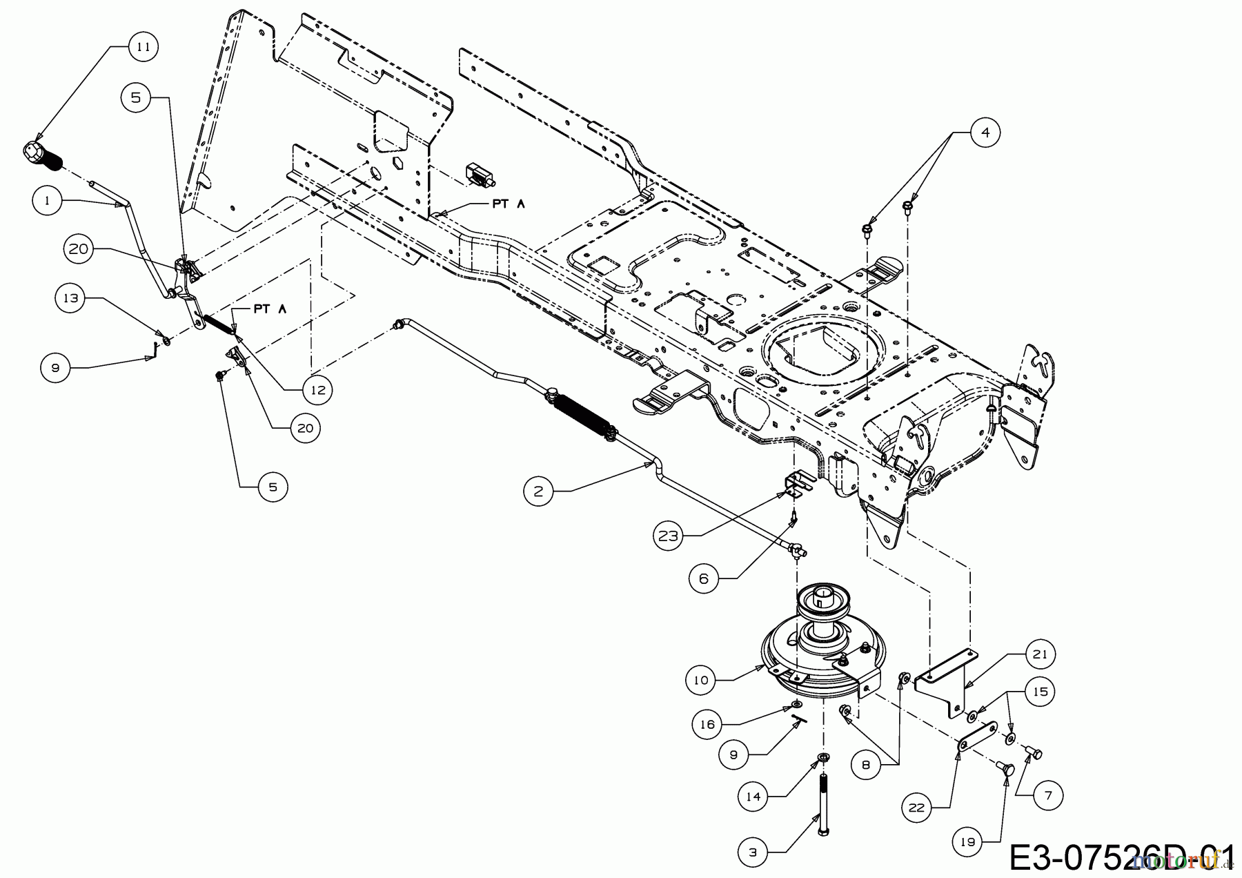
Posizione:
13
Description:
0.385X0.620X0.033
Modell Year:
CC 917 HE / 2016 CC 917 HN / 2016 CC 1024 KHN / 2016 CC 1018 BHE / 2016 CC 1020 BHN / 2016 CC 1022 KHI / 2016 220/105 H / 2016 MF 41-22 RH / 2016 GL 15.5/92 H / 2016 GL 17.5/105 H / 2016 CC 1023 HNK / 2016 MF 41-22 RD / 2016 CC 917 HE / 2016 CC 917 HN /
3.33 €
Tutti i prezzi includono l'IVA nell'UE, in più spedizione
Articolo aggiunto al carrello1
In magazzino. Tempi di consegna circa 6 giorni lavorativi.


Gestione della qualità
Aiutaci a migliorare il nostro sito. Informaci se trovi un errore.












