Cub Cadet Z-Force 48 S 17AI5BHB603 (2010) Wiring diagram Ricambi
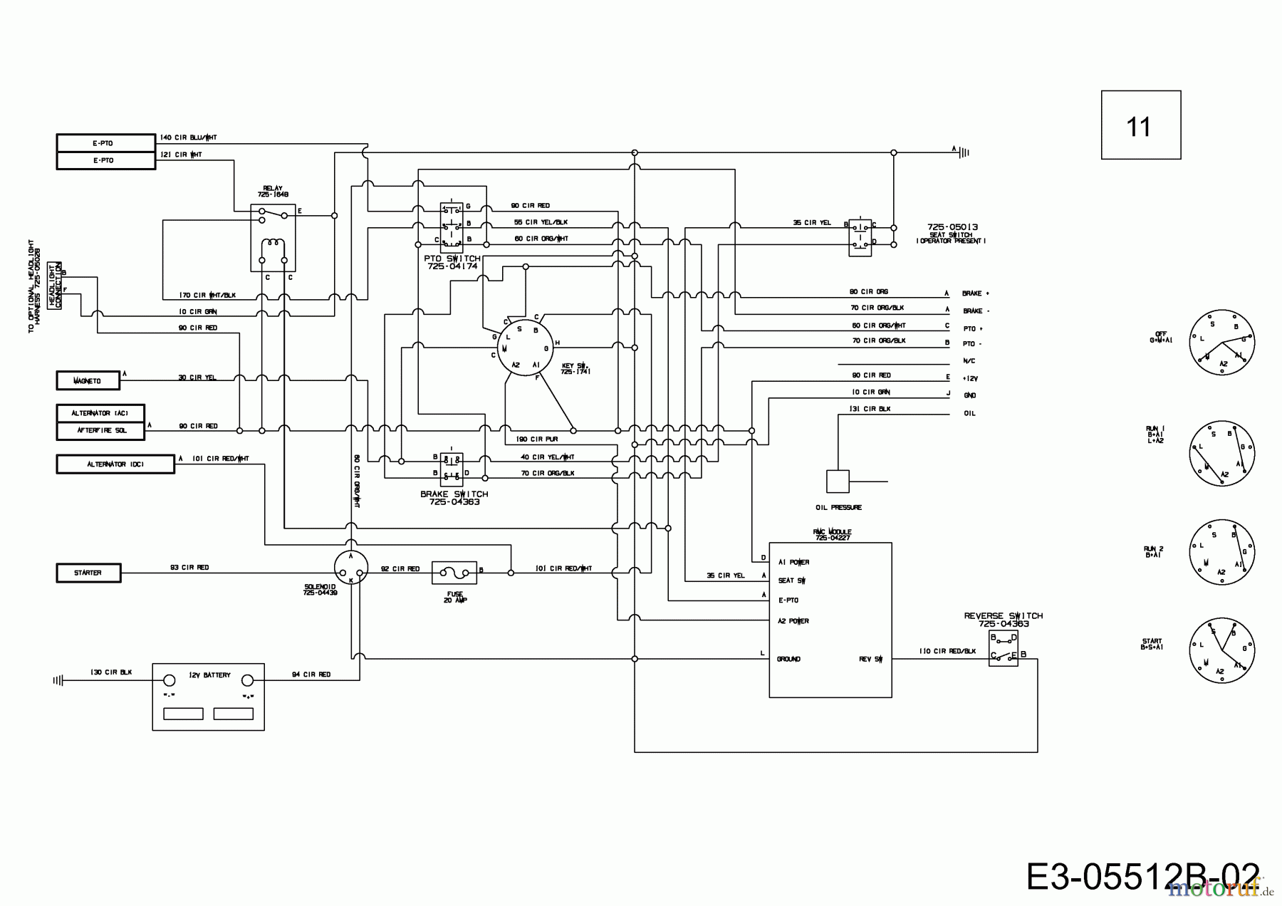
WIRE HARNESS
Articolo numero:
725-05189
Posizione:
11
DINNORM:
725-05189
Modell Year:
Z-Force 48 S / 2010 Z-Force 48 S / 2011 Z-Force 48 S / 2012 Z-Force 48 S / 2013
173.58 €
Tutti i prezzi includono l'IVA nell'UE, in più spedizione
Articolo aggiunto al carrello1
Sarà ordinato per te. Tempi di consegna da 5 a 14 giorni lavorativi circa.
| Posizione | Articolo numero | Descrizione | |
| 11 | 725-05189 | WIRE HARNESS | |


Gestione della qualità
Aiutaci a migliorare il nostro sito. Informaci se trovi un errore.

