Accettare

I cookie ci aiutano a fornire i nostri servizi. Utilizzando i nostri servizi, accetti il nostro utilizzo dei cookie. Saperne di più

Carrello
Il mio account

Gutbrod VS 50 A 00053.01 (1985) Basic machine Ricambi

LOCK WASHER

Articolo numero:
24.8195.28
Posizione:
65
Modell Year:
VS 50 A / 1985 
DINNORM:
B14 FEDERST. 
non più disponibile
 Gutbrod Petrol verticutter VS 50 A 00053.01  (1985) Basic machine
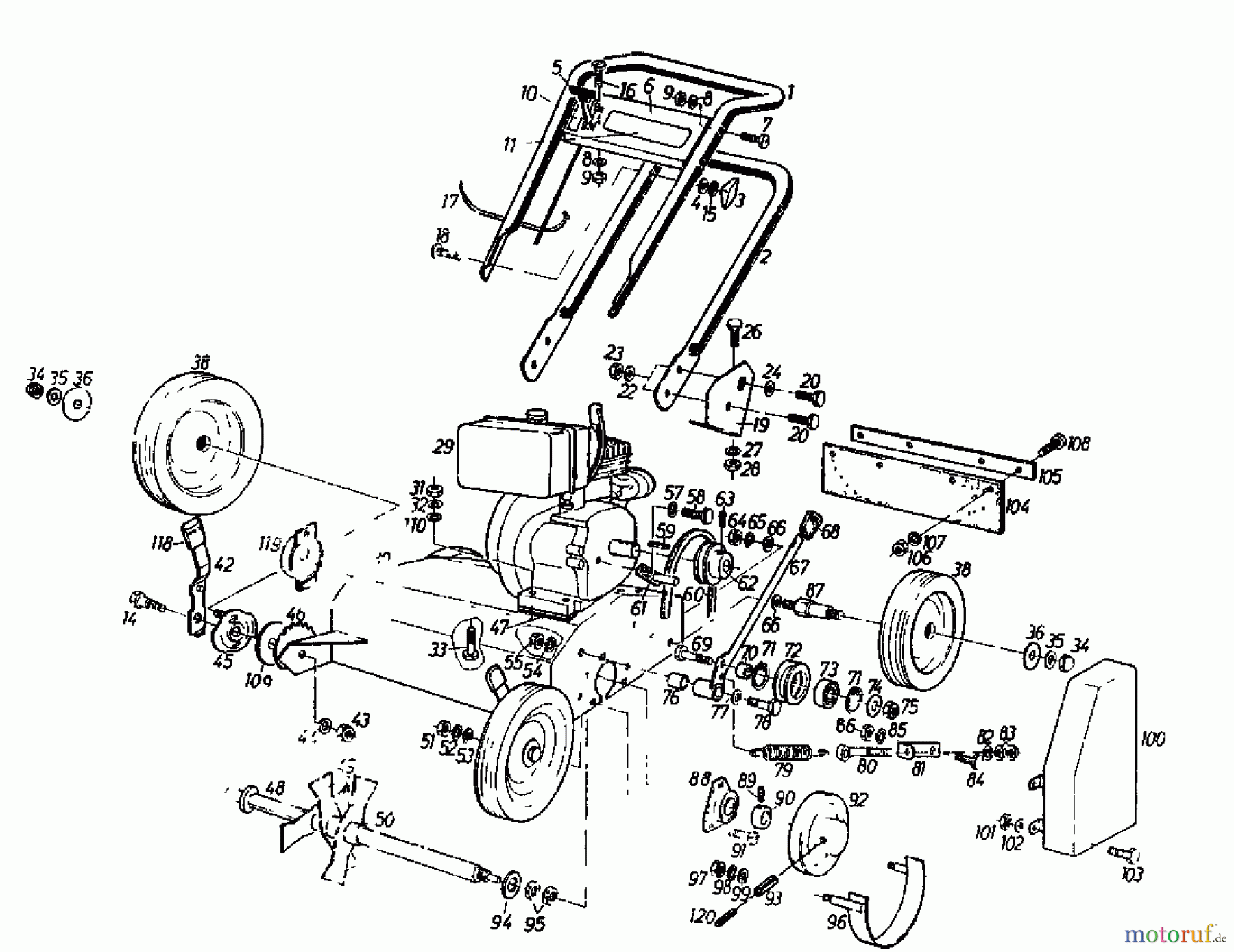
PosizioneArticolo numeroDescrizione
1 079.05.105Upper handle
2 086.03.063Handle lower part
3 090.26.829WING NUT
4 24.6481.18WASHER 8.4 DIN125
5 079.11.922GAS CONTROL
6 079.05.062PLATE
7 23.5422.21Screw
8 24.6481.14WASHER A6.4 DIN 125-ST
9 24.1426.14NYL-STOP-NUT M6 DIN985-8
10 000.42.528LBLI:
14 079.29.249Screw
15 24.8192.18LOCK WASHER
16 21.6421.75Screw
17 000.70.040Cable tie
18 22.3417.32Screw
19 079.85.097Handle bracket right
20 21.1441.70Screw
22 24.8195.18Spring washer
23 24.1421.18Nut
24 24.6481.18WASHER 8.4 DIN125
26 21.1441.70Screw
27 24.8195.18Spring washer
28 24.1421.18Nut
29 090.49.955ENGINE
31 24.1421.18Nut
32 24.8195.18Spring washer
33 21.1443.76SCREW:DIN 931-8.8:M10X70
34 24.3423.73Nut
35 24.8191.22L-washer
36 073.36.224Wheel cap
38 079.29.838Wheel
42 079.29.858Adjusting lever
43 24.1426.22L-nut
44 24.6481.22Washer
45 079.29.834Counter plate
46 073.36.209Plate
47 079.85.038Rubber square
48 079.85.809BLADE SPINDLE
49 079.85.013Blade
50 079.85.014Spacer
51 24.1421.18Nut
52 24.8195.18Spring washer
53 24.6481.18WASHER 8.4 DIN125
54 24.8195.22LOCK WASHER
55 24.1421.22Nut
57 24.8195.18Spring washer
58 000.02.278Screw
59 079.85.018Key
61 079.85.808Belt spanner
62 079.85.017Pulley little
63 23.4454.31Stud
64 24.1421.28Nut
65 24.8195.28LOCK WASHER
66 24.6481.28Washer
67 079.85.804Tensioning lever assy
68 073.99.037Grip
69 21.1443.93Screw
70 079.85.024Spacer
71 28.3592.30Circlip
72 079.85.023Roller
73 26.1027.00Ball bearing
74 24.6273.32Shim
75 24.1426.22L-nut
76 079.85.025Bush
77 24.6486.72Washer
78 21.1443.93Screw
79 000.31.063SPRING-BRAKE TENSION
80 23.6221.32EYESCREW
81 079.85.026Bracket
82 24.6481.18WASHER 8.4 DIN125
83 24.1421.18Nut
84 21.1441.70Screw
85 24.819518
86 24.1421.18Nut
87 079.85.123BOLT
88 000.26.901Flange bearing
89 23.4257.08STUD
91 21.5441.43Screw
92 079.85.016Pulley great
93 25.3198.13Pin
94 079.85.040Spacer
95 24.1424.38NUT
96 079.85.805Belt guide
97 24.1421.18Nut
98 24.8195.18Spring washer
99 24.6481.18WASHER 8.4 DIN125
100 079.85.806Protection hood
101 24.1421.18Nut
102 24.8195.18Spring washer
103 21.1441.68Screw
104 079.85.037Deflector
105 079.85.036Strap
106 24.1421.14Nut
107 24.8195.14LOCK WASHER
108 21.1441.48Screw
109 081.00.132WASHER
110 24.6481.18WASHER 8.4 DIN125
118 073.99.037Grip
119 079.85.152Protection cap
120 25.3197.06Pin
Rasen
Bankeinzug, MasterCard, Visa, American Express, PayPal, Nachnahme, Vorauskasse, Sofortüberweisung
Gestione della qualità
Aiutaci a migliorare il nostro sito. Informaci se trovi un errore.