Powerline Rasentraktor T 15-74 HD-A edition Ricambi
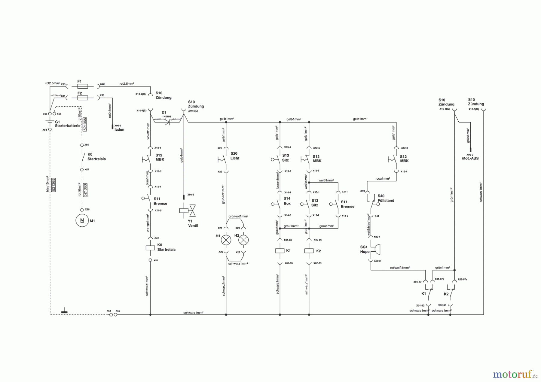
KABEL BLAU MASSELEITER
Articolo numero:
AL521365
non più disponibile
Articolo numero: 119492 119492

| Posizione | Articolo numero | Descrizione | |
| AL521363 | KABEL ROT STARTER/RELAIS | ||
| AL521365 | KABEL BLAU MASSELEITER | ||
| AL521366 | KABEL ROT BATTERIE/RELAIS | ||


Gestione della qualità
Aiutaci a migliorare il nostro sito. Informaci se trovi un errore.

