di nuovo a
motoruf
Warenkorb

Liste dei pezzi di ricambio per Toro


Liste dei pezzi di ricambio 1
Liste dei pezzi di ricambio 2


Liste dei pezzi di ricambio


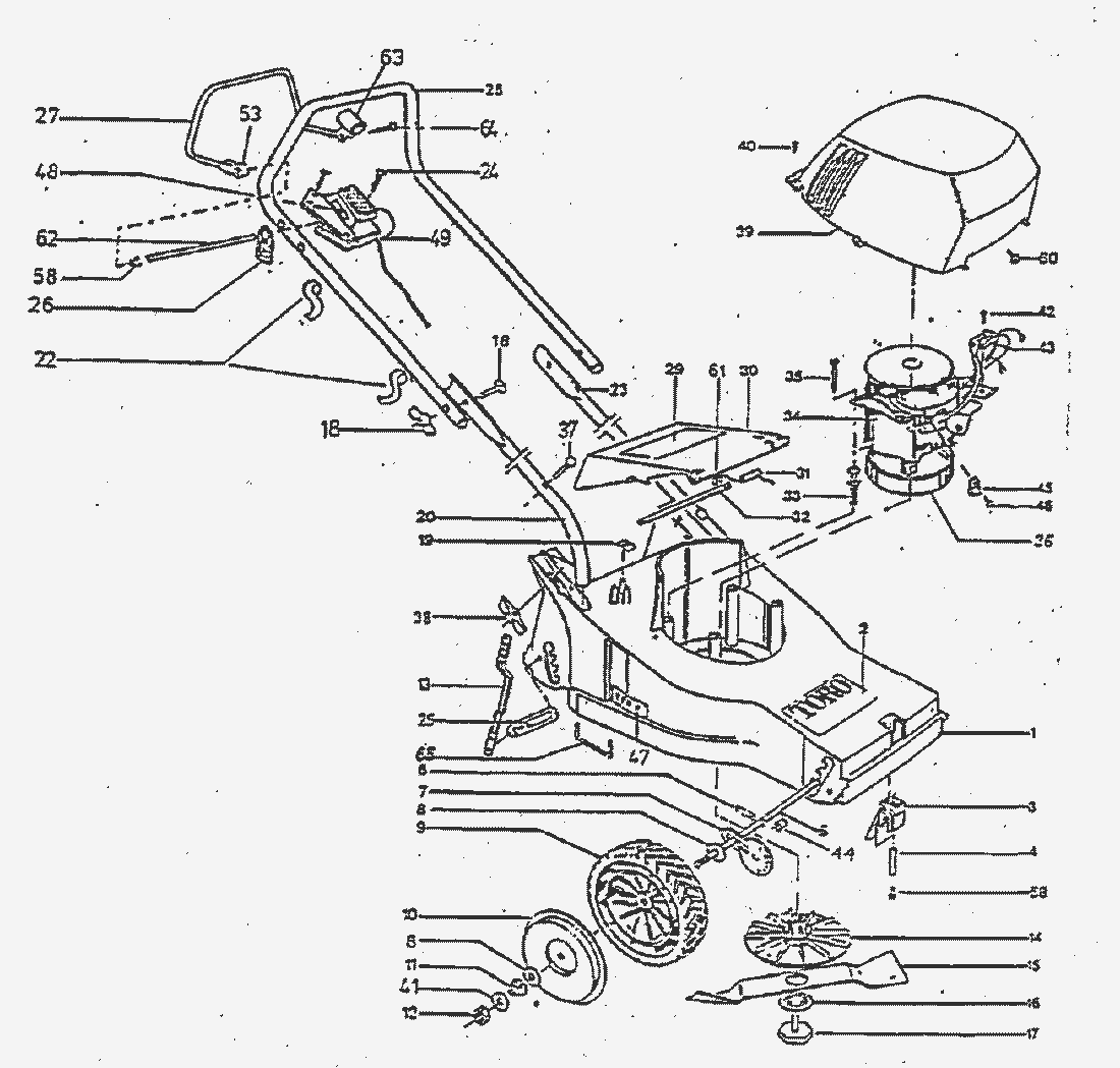
pos.descrizioneNúmero de pieza
117231
219277
311476
411611
519279
611613
717224
811717
919251
1019254
1111615
1210365
1317225
1411650
1511634
1607468
1707463
1813474
1911830
2019564
2119278
2219533
2319563
2413605
2517300
2619286
2719284
2819241
2919915
3018052
3111619
3217235
3312436
3419280
3511628
3619281
3712836
3817365
3917230
4011631
4103660
4211838
4311839
4419473
4510105
4611646
4719278
4819097
4919532
5318927
5811880
6011908
6117246
6218791
6318883
6418923
6511898
Liste dei pezzi di ricambio


pos.descrizioneNúmero de pieza
5011353
5111352
5211354
5511695
5611355
5711658
Toro
Condizioni generali di contratto
(C) by motoruf