di nuovo a
>
>
>
>
>
>
>
Liste dei pezzi di ricambio per Toro
Liste dei pezzi di ricambio 1
Liste dei pezzi di ricambio 2
pos.
descrizione
Número de pieza
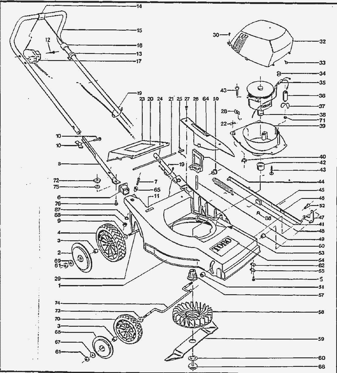
1
14350
2
13839
3
12398
4
13852
5
12393
6
13003
7
13809
8
13400
9
05743
10
13474
11
12
13602
13
11723
14
13603
15
14356
16
13607
17
17354
19
14757
20
17509
21
12419
22
11830
23
17601
24
13399
25
11619
26
12427
27
12489
28
13609
29
13803
30
13402
32
17230
33
13430
34
13601
35
11839
36
13401
37
13528
38
13303
39
13345
40
13403
41
14128
42
13595
43
13317
44
12757
45
12144
46
12381
47
12608
46
12379
49
12428
50
12374
51
12465
52
13805
53
12380
54
17165
55
12375
57
13398
58
10703
59
12320
60
07468
61
10988
62
13806
64
12425
65
13834
66
07463
67
13896
68
13838
69
13853
70
13846
71
07233
72
13272
73
12376
74
14082
75
09709
76
13567
86
14127
87
07674
88
10365
pos.
descrizione
Número de pieza
90
13880
91
13873
92
13883
93
13882
94
13879
95
11951
96
14176
97
13876
13726
Toro
Condizioni generali di contratto
(C) by motoruf