di nuovo a
>
>
>
>
>
>
>
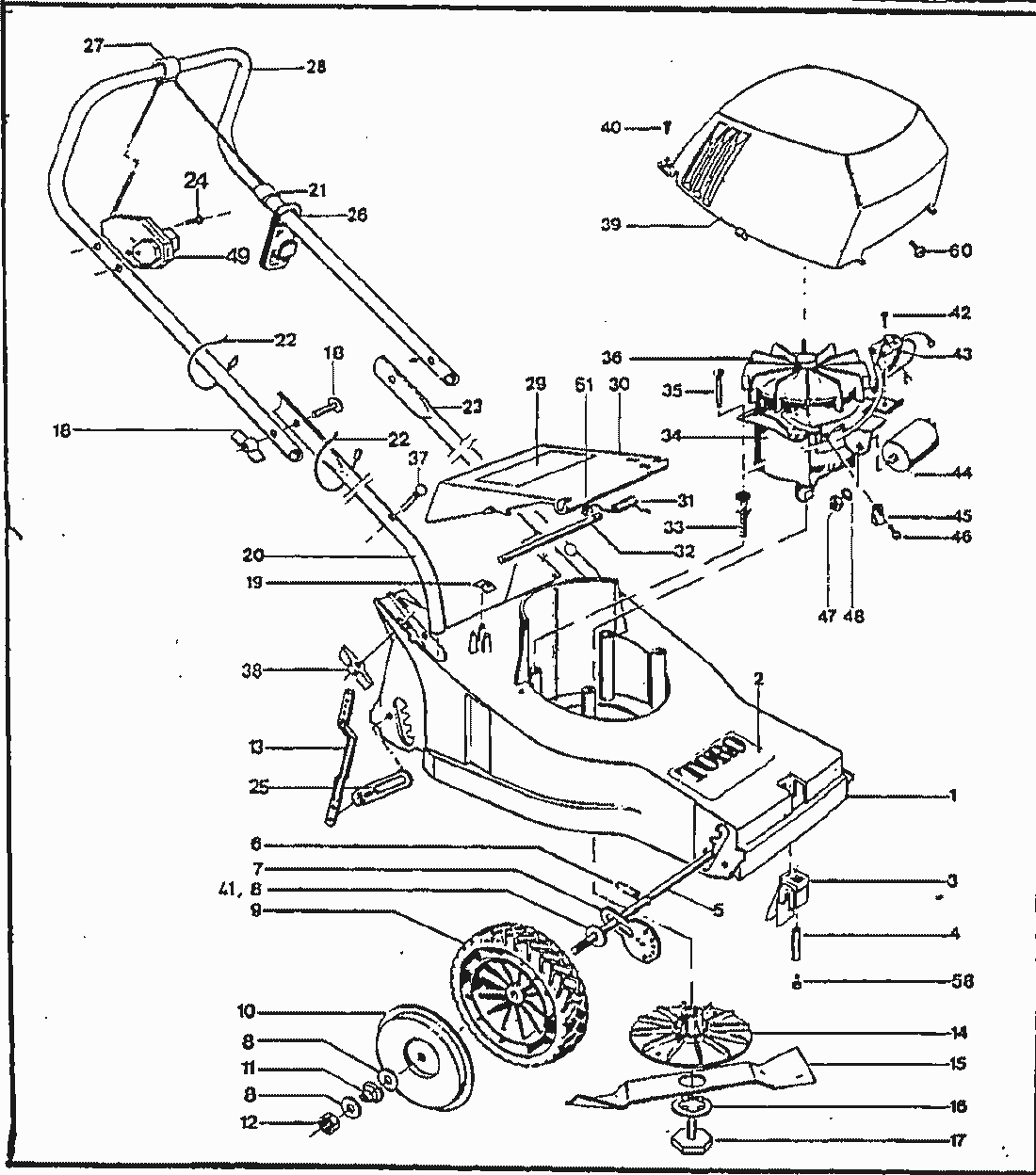
Liste dei pezzi di ricambio per Toro
pos.
descrizione
NĂºmero de pieza
1
17231
2
17170
3
11476
4
11611
5
13829
6
11613
7
17224
8
11717
9
13845
10
13838
11
11615
12
13891
13
17225
14
11650
15
11634
16
07468
17
07463
18
13474
19
11830
20
17236
21
13607
22
14757
23
17237
24
13602
25
17300
26
11723
27
13603
28
17233
29
17509
30
18052
31
11619
32
17235
33
12436
34
13381
35
11628
36
12333
37
12836
38
17365
39
17230
40
11631
41
03660
42
11838
43
11839
44
10103
45
10105
46
11646
47
03770
48
09571
49
19155
58
11880
60
11908
61
17246
11898
18006
Toro
Condizioni generali di contratto
(C) by motoruf