di nuovo a
motoruf
Warenkorb

Liste dei pezzi di ricambio per Toro




Liste dei pezzi di ricambio


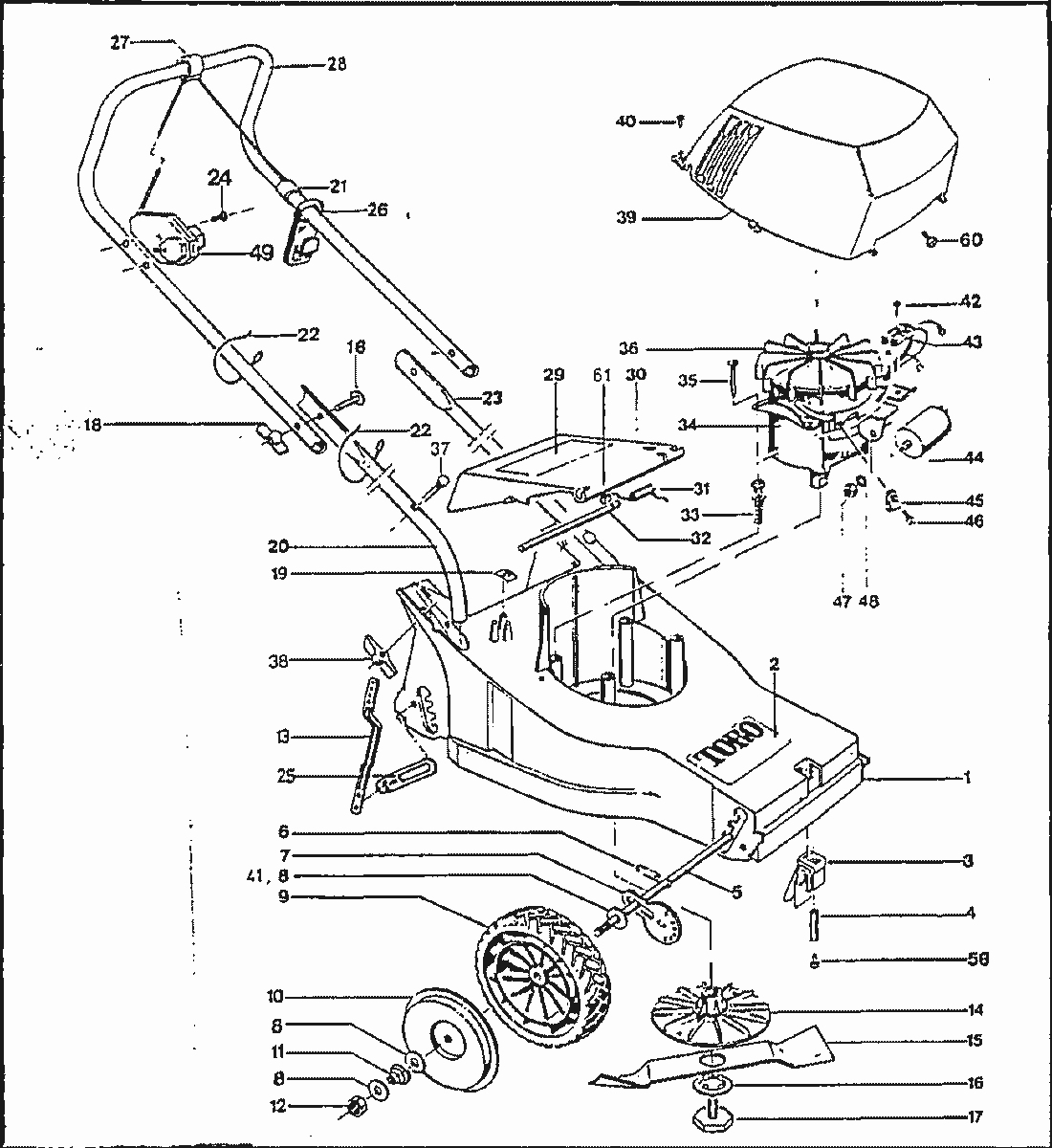
pos.descrizioneNĂºmero de pieza
117231
217170
311476
411611
513829
611613
717224
811717
913845
1013838
1111615
1213891
1317225
1411650
1511634
1607468
1707463
1813474
1911830
2017236
2113607
2214757
2317237
2413602
2517300
2611723
2713603
2817233
2917509
3018052
3111619
3217235
3312436
3413381
3511628
3612333
3712836
3817365
3917230
4011631
4103660
4211838
4311839
4410103
4510105
4611646
4703770
4809571
4919155
5811880
6011908
6117246
11898
18006
Toro
Condizioni generali di contratto
(C) by motoruf